翘板开关结构图

带灯船型开关 kcd3 双卡位翘板开关 双卡位16a电源开关 带灯开关
图片尺寸900x853
kcd-201-n-cb 挂烫机船型开关翘板电源开关两档三脚带橙灯小圆型
图片尺寸1580x1000
船型翘板开关的内部结构印字含义及翘板开关接线方法
图片尺寸652x363
供应kcd4-abb01-6a翘板跷板开关船型船形6脚船型两档6脚开关
图片尺寸758x609
扁平框架安装微型翘板开关带框架船型开关
图片尺寸951x755
宽手柄特殊翘板船型开关_置入式卡槽带led灯翘板开关
图片尺寸983x376
微动开关结构图及参数属性介绍
图片尺寸782x683
翘板开关kcd2 b1-102 32.6x16.1 两档两脚按键按钮实体红方形开关
图片尺寸655x295
翘板式防火开关
图片尺寸1580x1615
cn101980351b_翘板式单线双联双保险开关有效
图片尺寸896x1000
进口kcd1翘板船型开关 带ul铜脚银点 2脚2档mr-1-110船形电源开关
图片尺寸698x514
组合开关结构
图片尺寸649x331
一种翘板开关及其插线板的制作方法
图片尺寸1000x985
一种翘板式制动灯开关
图片尺寸1000x952
目前家居中,大多数人家采用的是翘板开关.
图片尺寸550x479
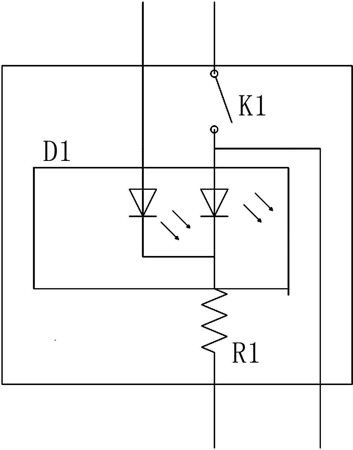
本实用新型解决了现有翘板开关电路结构复杂,电路占用开关内部空间大
图片尺寸1176x1496
13211322钮子开关摇杆开关15a250v6脚2档12mm安装孔
图片尺寸750x440
小型自锁定翘板开关nkk进口船型开关cwsb21
图片尺寸750x750
供应小园船型开关kcd11翘板船形开关10x15mm两脚船开关铁脚
图片尺寸805x673
厂家供应船型开关 kcd1-104 全黑四脚翘板开关 15*21mm电源开关
图片尺寸933x608