耦合器接线图

总线耦合器 - flm bk pb m12 di 8 m12-ef - 2773377
图片尺寸408x281
我画的是实物图,不是实际的电路图. 追答 大部分都不用另外接线.
图片尺寸388x577
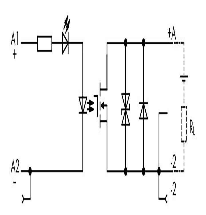
接口单极和双极继电器和光耦合器外形相同_接线图分享
图片尺寸749x547
基本的光电耦合器电路图
图片尺寸600x360
中职学生在电工电子实验中光电耦合器使用技巧
图片尺寸700x401
光电耦合器组成的施密特电路图
图片尺寸573x577
内部终接耦合器1102012reva
图片尺寸665x1121
启东恒瑞防爆通讯电气有限公司-数字抗噪声防爆电话机,防爆耦合器
图片尺寸1198x740
plc 为了提高抗干扰能力,输入接口都采用光电耦合器来隔离输入信号与
图片尺寸552x331
光电耦合器的抗干扰特性
图片尺寸552x361
万可接线端子,型号859-730光电耦合器模块; 额定输入电压
图片尺寸720x750
使用光电耦合器实现信号转换,有利于提高系统的抗干扰能力,因为干扰
图片尺寸593x369
接口单极和双极继电器和光耦合器外形相同_接线图分享
图片尺寸450x271
(图 :耦合器连接方式)
图片尺寸492x336
接口单极和双极继电器和光耦合器外形相同_接线图分享
图片尺寸600x559
beckhoff倍福 ek1310 耦合器ek1310 原装现货供应
图片尺寸767x506
光电耦合器组成的门电路图
图片尺寸1533x1081
光耦合器件的结构是一个红外二极管对射一个光敏三极管,通过红外管
图片尺寸1024x567
光耦合器的类型及接法
图片尺寸1026x448
固态去耦合器选型和排流系统安装维护
图片尺寸607x778