联轴器螺栓 型号

厂家直供hl4弹性柱销联轴器尼龙棒柱销联轴器
图片尺寸1524x1920
联轴器尺寸型号对照表
图片尺寸856x492
鼓形齿联轴器 万向联轴器 联轴器设计 轴承型号规格 联轴器型号 弹性
图片尺寸862x1262
联轴器柱销靠背铃螺栓黑色弹性圈,24*45*11(m16),100个/包
图片尺寸750x820
lx(原hl)联轴器_河北安恕朗盛机械科技有限公司
图片尺寸730x1036
下一页 相关主题 你可能喜欢 联轴器样本 联轴器设计 联轴器型号 梅花
图片尺寸862x1262
nm弹性联轴器规格型号尺寸图
图片尺寸854x1033
弹性柱销联轴器型号齐全库存充足-无锡帛扬产品中心
图片尺寸750x939
yld外径190mm凹缘凸缘联轴器钢性联轴器螺丝硬性链接法兰盘联轴器
图片尺寸702x702
加工定做 tl弹性套注销联轴器 减速机联轴器 棒销联轴器 规格齐全
图片尺寸750x980
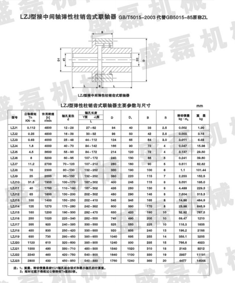
供应zl型弹性柱销齿式联轴器 镇江苏冶传动科技
图片尺寸745x1024
厂家直销js蛇簧联轴器/js蛇形弹簧联轴器/js罩壳径向联轴器型号全
图片尺寸800x583
ylyld型凸缘联轴器型号图纸及参数
图片尺寸720x890
lyca梅花联轴器
图片尺寸950x990
lxz(hll)型带制动轮弹性柱销联轴器
图片尺寸750x1000
lzzl型弹性柱销齿式联轴器
图片尺寸500x626
尼龙内齿圈齿式联轴器尺寸参数
图片尺寸613x840
供应弹性双膜片联轴器丝杆联轴器伺服电机步进外径26
图片尺寸728x648
弹性柱销联轴器梅花形hll带制动轮柱销联轴器 型号多样hl lx型号
图片尺寸800x962
厂销tl tll型弹性套柱销联轴器配件螺栓m6-m36 定做异形 量大优惠
图片尺寸600x575