聚酰胺6切片

锦纶6切片生产厂家大量供货聚酰胺6切片俗称锦纶6切片尼龙6切片
图片尺寸800x799
半透明乳白色尼龙6切片耐高温聚酰胺尼龙6切片最新价格
图片尺寸680x681
尼龙6切片_尼龙6切片,锦纶6切片,聚酰胺6切片_江苏永通新材料科技有限
图片尺寸600x393
如聚酰胺6切片,俗称锦纶6切片,尼龙6切片.
图片尺寸600x400
1011"聚酰胺-6,6"的本国子目注释中对"切片"的概念进行了明确:"切片"
图片尺寸573x758
pa6湖南岳化yh800尼龙6切片易脱模高流动注塑级聚酰胺塑胶原料
图片尺寸800x800
尼龙6词条图册_百度百科
图片尺寸500x350
pa6 pa 100005
图片尺寸536x402
华润聚酯切片cr8863华润pet汽车工业
图片尺寸750x733
岳化股份pa6 yh800聚酰胺6透明级尼龙6切片纤维级尼龙6原料06 9东莞
图片尺寸711x711
锦纶是聚酰胺纤维的商品名称,又称尼龙(nylon).
图片尺寸1080x1440
耐油聚酰胺a3eg6加纤30塑胶原料德国巴斯夫高刚性pa66
图片尺寸800x800
为主要原料,通过原位聚合制备技术得到石墨烯原位聚合聚酰胺6切片
图片尺寸800x494
7 注塑级尼龙6切片 聚酰胺
图片尺寸800x800
pa66(尼龙双6,聚酰胺)工程塑料,pa66中文名称聚酰胺,俗称尼龙双6,系
图片尺寸750x750
嘉兴德国巴斯夫聚酰胺6c3u工业应用
图片尺寸1000x696
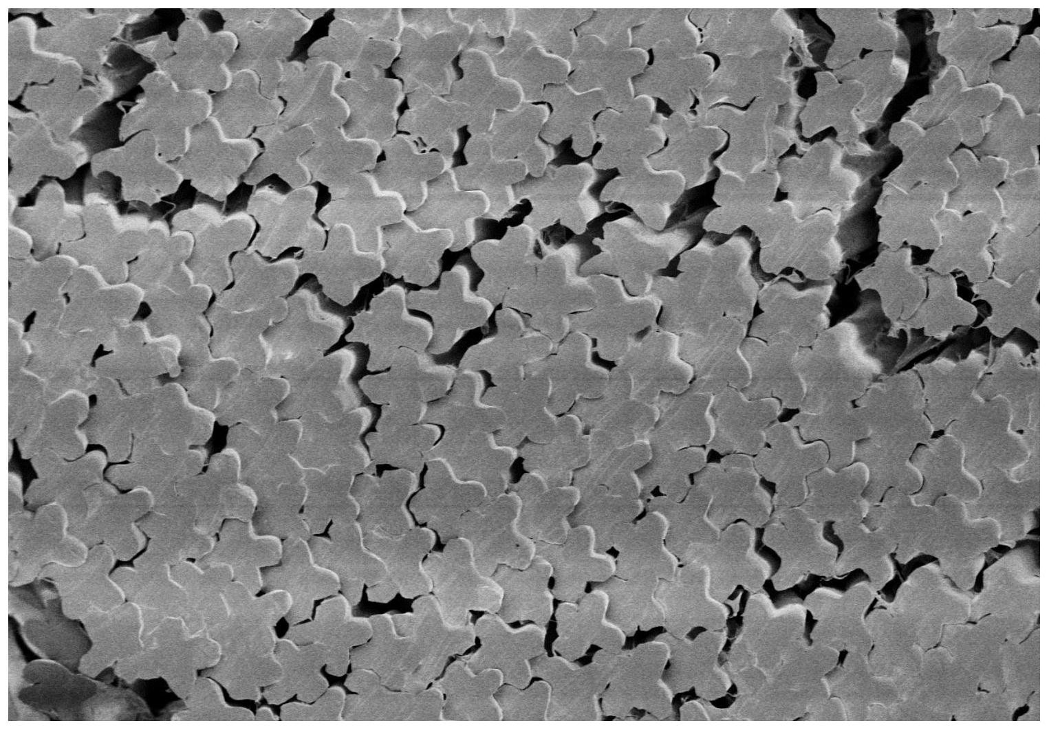
一种近红外光诱导牵伸制备异形高强度聚酰胺6纤维的制备方法
图片尺寸1525x1062
聚酰胺尼龙6 pa6 德国巴斯夫 b3wg6 玻纤增强30% 热稳定性 高刚性 耐
图片尺寸1079x1079
开发聚酰胺纳米复合材料两家龙头签署研发协议
图片尺寸720x462
聚合顺2023年净利润同比下降1878拟10派285元
图片尺寸2263x1254