脉冲阀安装图

阻尼脉冲空气脉动缓冲upvcpvcdn15压力表其他阀门
图片尺寸800x800
脉冲电磁阀的工作原理及动态原理图
图片尺寸600x466
dmf电磁脉冲阀
图片尺寸1250x1056
直角式电磁脉冲阀安装图示及优点
图片尺寸502x338
电磁脉冲阀安装示意图
图片尺寸1280x960
dmf-z直角式电磁脉冲阀
图片尺寸412x315
电磁脉冲阀工作原理之双膜片型脉冲阀
图片尺寸400x323
dmf-t-62s 电磁阀供应销售|宁波市奉化旭强脉冲阀制造厂
图片尺寸496x583
脉冲式安全阀
图片尺寸444x512
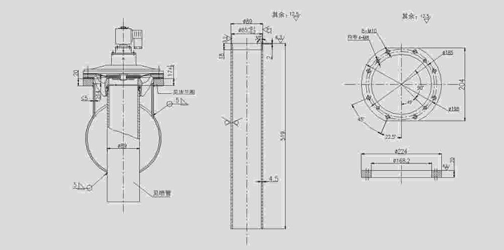
dmy-ii-80 淹没式电磁脉冲阀 安装示图
图片尺寸1006x501
电磁脉冲阀工作原理之双膜片型脉冲阀
图片尺寸400x376
脉冲电磁阀原理脉冲电磁阀原理图
图片尺寸465x560
供应tmf-y-50s电磁脉冲阀/淹没式电磁脉冲阀
图片尺寸698x422
供应淹没式电磁脉冲阀高效电磁阀首选
图片尺寸1250x1056
二寸半62淹没式电磁脉冲阀
图片尺寸859x589
cn2527818y_脉冲电磁阀失效
图片尺寸688x600
图3改进后的电磁脉冲阀控制结构图
图片尺寸1536x732
淹没式电磁脉冲阀
图片尺寸1090x442
脉冲式安全阀
图片尺寸710x393
电磁脉冲阀安装注意事项ppt课件
图片尺寸920x690