脉动直流电波形图

脉动直流电波形
图片尺寸435x251
什么叫脉动直流电啊?
图片尺寸1009x1279
用颗全汉hydro g pro1000看懂电源原理和结构 - 知乎
图片尺寸2304x962
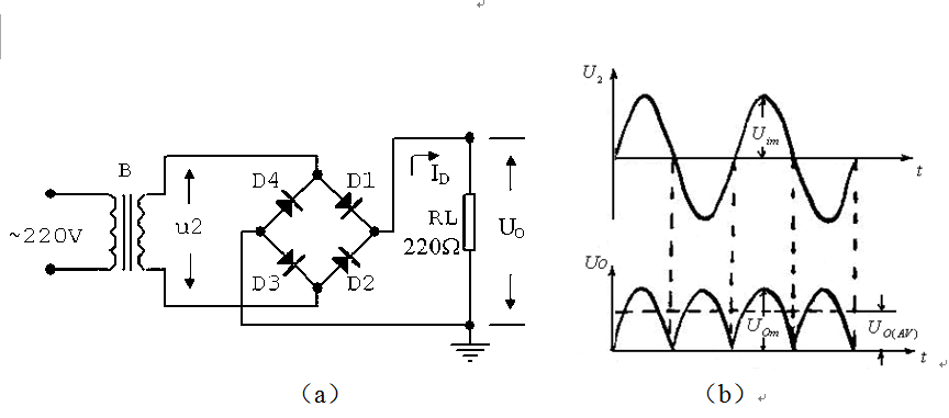
但其极性却不会改变,这种波形称为脉动直流
图片尺寸377x308
二极直流电机产生的脉动分量频率
图片尺寸640x238
脉动直流电流
图片尺寸622x488
如何测量直流脉动pwm波形的直流电流有效值
图片尺寸1812x1012
脉动直流电流
图片尺寸552x403
开关电源的定义和工作原理详解
图片尺寸500x472
什么是脉动直流信号?整流器的工作原理?回答一个也行
图片尺寸669x666
滤波后的脉动直流电的波图是什么样的?一节一节的?
图片尺寸930x272
脉动直流电流
图片尺寸864x381
配图2:线性电源的波形
图片尺寸893x383
常见脉冲波形 : 2.
图片尺寸1080x810
直流稳压电源制作设计方案1
图片尺寸480x302
target="_blank" href="/item/脉动直流电流/9159718
图片尺寸410x248
第2单元-直流电路2ppt
图片尺寸1080x810
直流电的电流强度和电压也会随着时间的变化而变化,通常叫做脉动直流
图片尺寸660x436
方向不变,大小变化的电流属于脉动直流电.
图片尺寸267x302
高压脉冲电网波形图4.
图片尺寸605x616