脱水机电路图

扬子牌脱水机的电机线路接法
图片尺寸445x292
一种自动筒子纱脱水机的制造方法与工艺
图片尺寸1000x759
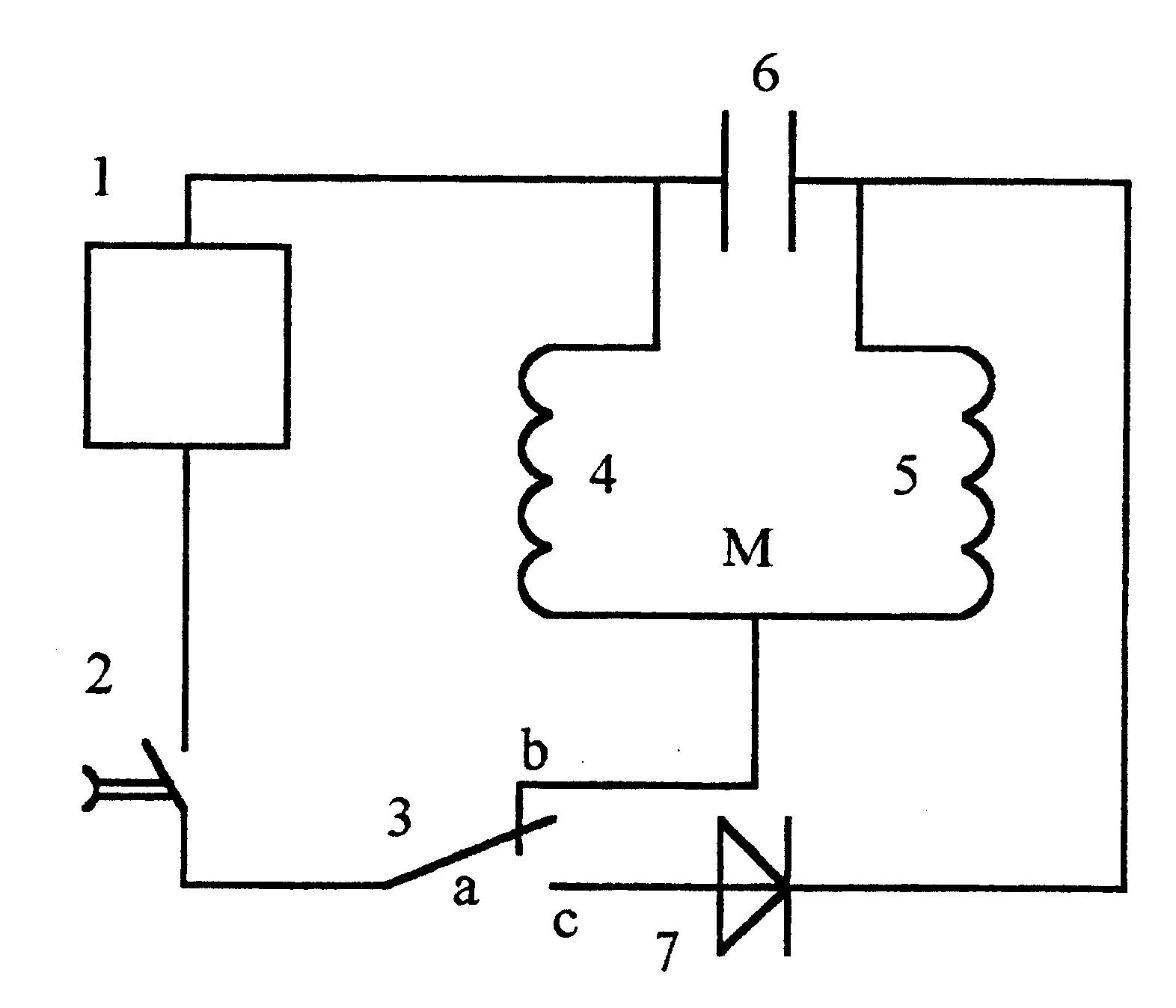
这是双筒洗衣机的电路图,脱水电机上方利用电容移相使电机转动.
图片尺寸500x375
离心脱水机变频控制系统
图片尺寸600x335
离心脱水机控制方案
图片尺寸520x581
公开了一种定时脱水机,包括:设置在所述脱水机的供电电路上的继电器
图片尺寸1092x501
威力xpb55-553s型微电脑控制式洗衣机脱水电动机控制电路
图片尺寸1671x1075
脱水控制电路:由脱水电动机,交流电容器,脱水定时器和压合开关等组成.
图片尺寸460x386
小天鹅xqb42-199g 电路图
图片尺寸351x328
瑞特wl350污泥脱水机
图片尺寸730x680
cn203522145u_用于污泥脱水机的电动机的高温自动停机控制电路失效
图片尺寸1000x476
惠而浦普通洗衣机脱水控制失灵洗涤控制良好
图片尺寸610x450
脱硫废水处理的ph值自动控制系统及控制方法
图片尺寸1160x762
正弦变频器sine313在离心脱水机中的应用
图片尺寸550x616
迈凯诺ke300a变频器在离心脱水机中的应用1.jpg
图片尺寸453x392
新款单级反渗透纯水机电路原理图.doc
图片尺寸1404x993
金鱼xpb30-11型全自动洗衣机在脱水状态时脱水桶不转且波轮单向运转
图片尺寸1614x954
定时关机
图片尺寸808x498
具有能耗制动电路的家用电动脱水机-爱企查
图片尺寸1572x1348
电路视频积分:0分asmstudio r5.0编程masmtasm|mufeifeiasmstudio r5.
图片尺寸1172x1284