自保持回路图

要想甩掉"灯泡电工"的名号,第一步要掌握这个电路
图片尺寸640x480
停止 a qs fu b c 停车 sb1 按钮 起动 按钮 km sb2 km km 自保持 m 3
图片尺寸1080x810
继电器的自保电路怎么接线,最好有图
图片尺寸600x365
求一张 单点自保接线图,一个60安 短路器 一个交流接触器 一个停止
图片尺寸443x379
一种自保持电路的制作方法
图片尺寸738x1000
这图自保持求解释?
图片尺寸819x585
> 菜鸟求教:自保持开关电路分析
图片尺寸671x632
一种脉冲信号保持电路的制作方法
图片尺寸1000x768
有自锁自保持功能的开关电路一
图片尺寸513x609
rob-02自保持继电器
图片尺寸607x358
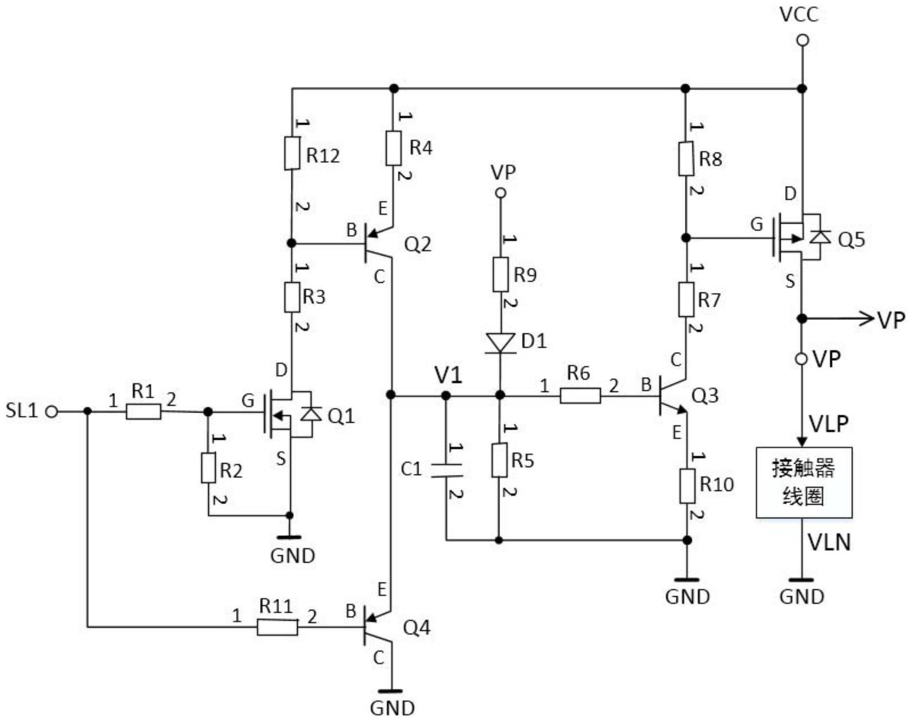
一种直流接触器线圈的低边驱动自保持电路
图片尺寸1869x1481
自保持互锁电路plc梯形图编程图解
图片尺寸379x252
电工常见电路图1
图片尺寸2094x1569
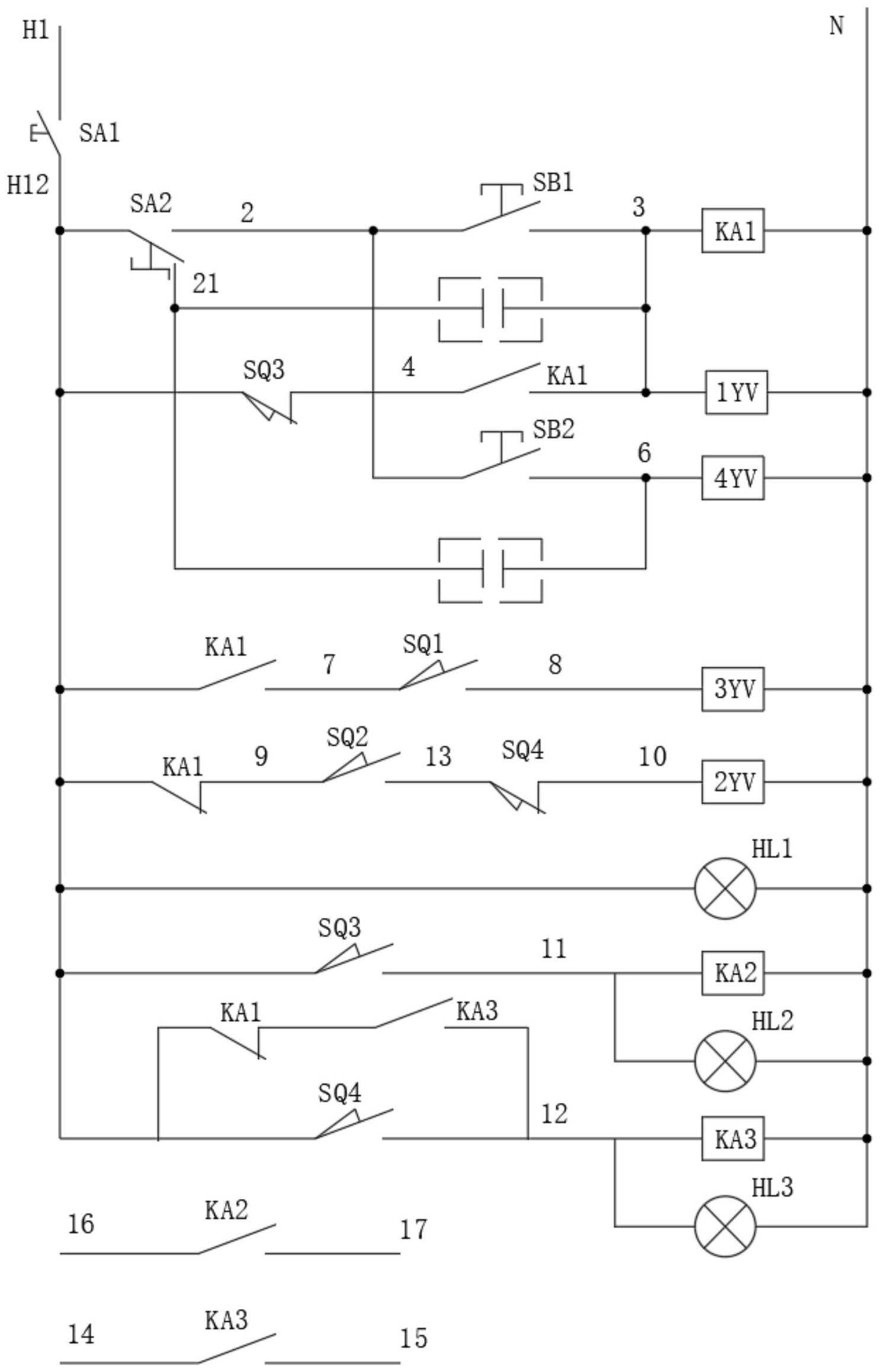
一种磨煤机热风隔离门开到位信号自保持回路的控制装置及方法
图片尺寸1486x2315
9a 为一由继电器和一按钮组成的自保持回路,不是梯形图而是 "
图片尺寸500x355
电压采样保持电路图
图片尺寸589x477
自锁电路原理
图片尺寸718x464
57,起动,自保控制电路的工作原理
图片尺寸461x475
接触器点动加自保电路原理图解
图片尺寸640x512
地运行,使用点动控制是不现实的,这就需要具有接触器自锁的控制电路
图片尺寸1040x732