自动控制电路图

中国工控28例电气自动控制电路图都是干货快收藏吧
图片尺寸2396x1920
自动循环往复控制线路图
图片尺寸920x651
干货分享20则电气自动控制电路图可收藏哦
图片尺寸2349x2584
28例电气自动控制电路图都是干货快收藏吧
图片尺寸2480x1779
用上下各一固定浮飘一个接触器可以控制一台水泵自动补水吗?
图片尺寸1653x1167
三相电机自动往返行程控制线路电路图解 有些生产机械,如万能铣床
图片尺寸1569x1280
中国工控28例电气自动控制电路图都是干货快收藏吧
图片尺寸1280x824
自动往返控制线路
图片尺寸650x489
电路好了,以上便是小航为大家带来的20则电力电气的自动控制电路图
图片尺寸2000x1832
图2-13 自动往复循环控制电路
图片尺寸555x492
cn213457778u_一种自动供水控制电路有效
图片尺寸1774x1450
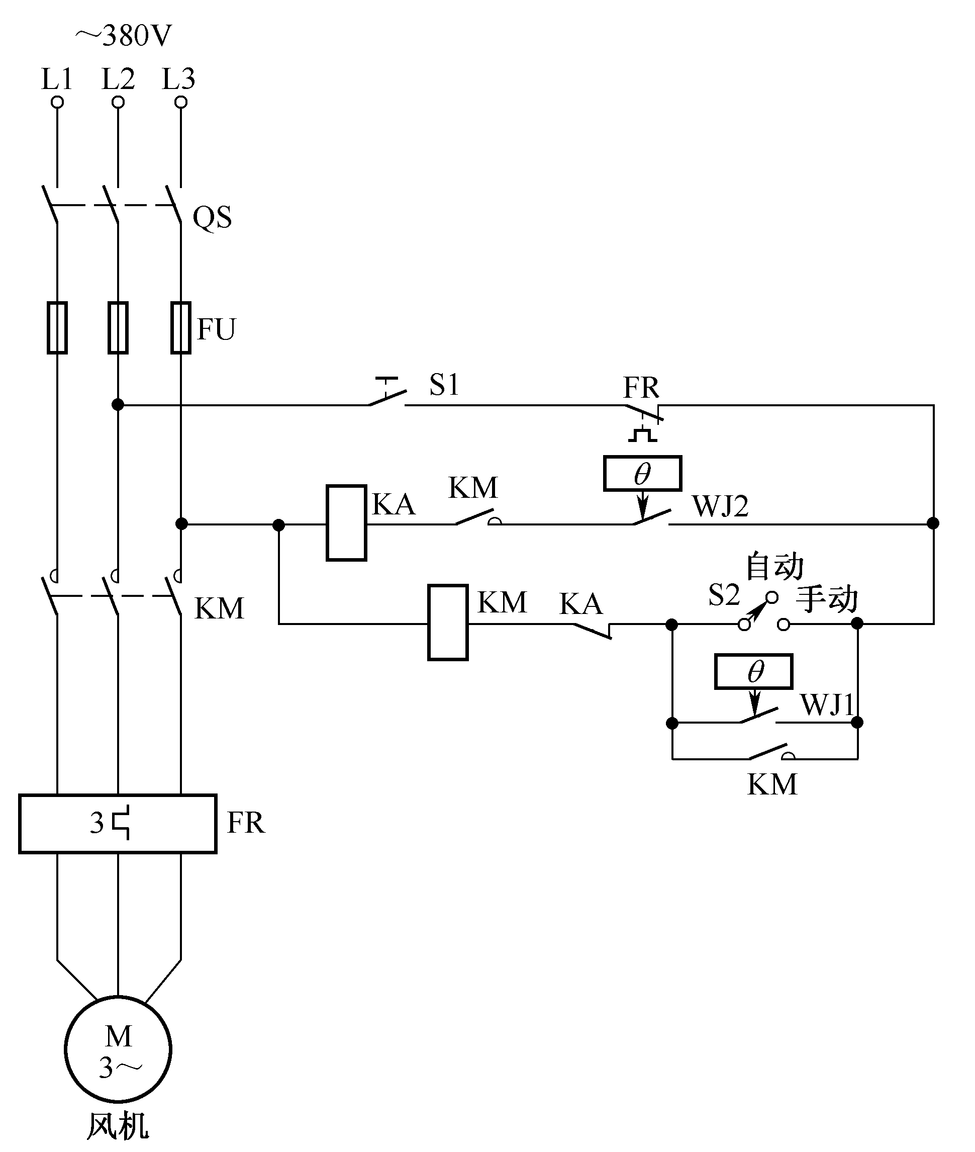
控制线路: 主电路 手动控制 自动控制
图片尺寸1080x810
【高训工控】专业课堂第三十四期——工作台自动往返行程控制线路
图片尺寸1080x738
电路串电阻降压启动控制线15自动循环往复控制线路14双电容单相电机
图片尺寸640x635
工作台自动往返行程控制电路
图片尺寸1124x936
干货分享20则电气自动控制电路图可收藏哦
图片尺寸1940x2291
按时间自动往返的电动机正反转控制电路
图片尺寸1500x1934
电动机星三角启动手动与自动可选择的控制电路
图片尺寸1595x1499
双速交流异步电动机自动变速控制任务书
图片尺寸974x760
还是想和朋友们分享一些干货,是关于电力电气行业 自动控制电路图的
图片尺寸2000x1964