自动浇花电路图

单片机设计智能浇水系统_用单片机制作自动浇花系统的缺点-csdn博客
图片尺寸971x729
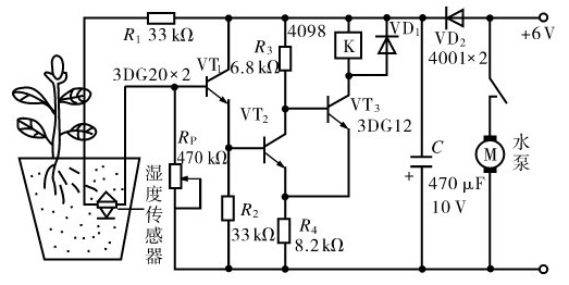
本文介绍一款微型自动浇花机,其电路如图1-19所示.
图片尺寸523x262
一种自动浇水装置
图片尺寸1580x987
基于单片机的自动浇花系统程序及注解
图片尺寸1482x748
新手制作自动浇花系统过程
图片尺寸3030x2130
自动浇花系统
图片尺寸1654x1483
070【电路方案】基于51单片机控制的自动浇水系统设计https://docs.
图片尺寸1318x863
51单片机自动浇花系统
图片尺寸1312x847
【proteus仿真】【51单片机】自动浇花灌溉系统设计
图片尺寸1075x806
定时自动浇花电路及定时自动浇花装置
图片尺寸800x322
仿真电路图用户可通过按键设定湿度上下限值,土壤湿度数据和上下限值
图片尺寸857x599
小明设计了如图所示的自动浇花电路当探头检测到泥土湿度太小且雨水池
图片尺寸416x220
基于单片机智能自动浇花控制系统设计毕业设计
图片尺寸862x646
一种智能家居自动浇灌给养系统
图片尺寸2068x2076
单片机自动浇花器
图片尺寸1232x809
自学单片机第三十三篇自动浇水系统
图片尺寸1126x490
使用单片机设计士壤湿度检测自动浇花系统的资料说明-电子电路图,电子
图片尺寸681x439
51单片机智能浇花控制系统自动灌溉浇水keil5编写proteus仿真资料
图片尺寸1021x691
花草智能浇水控制器电路-智农361-国际专利·农资器具展示交易平台
图片尺寸2092x1152
基于单片机智能自动浇花控制系统设计毕业设计
图片尺寸862x646