自吸泵电路图

用上下各一固定浮飘一个接触器可以控制一台水泵自动补水吗?
图片尺寸1653x1167
水泵自动供水电路.doc
图片尺寸893x407
水泵自动控制电路图
图片尺寸1057x724
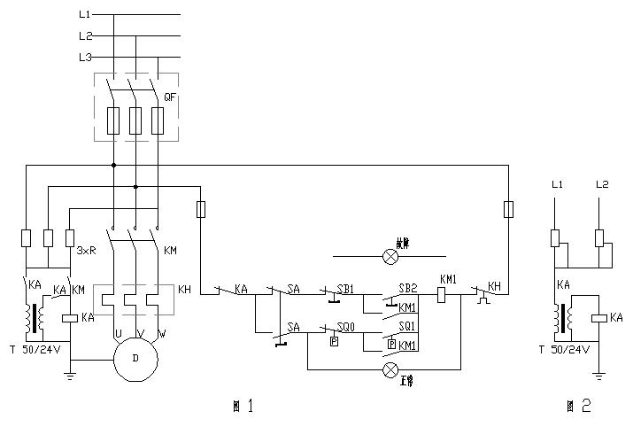
消防泵电路图pdf1页
图片尺寸792x1121
自行车气泵自控电路
图片尺寸400x303
常用的压机用油泵电动机控制电路
图片尺寸716x510
如图的电路图,一用一备,在一号泵有故障的情况下,二号泵能自动启吗?
图片尺寸2380x2235
全自动三相抽水线路图
图片尺寸410x391
水泵自动控制电路图
图片尺寸594x428
吸氧机电路
图片尺寸1539x952
水泵自动控制电路图
图片尺寸600x431
也当过律师事务所的接线员和百货公司
图片尺寸720x559
工地上自动控制水泵接线图如何?
图片尺寸1295x917
一种自动自吸泵的控制电路板
图片尺寸577x460
本例介绍的农用自动供水器电路,具有自动抽水和缺水自动停机保护
图片尺寸3078x3323
关于两相自吸泵选用热继电器的问题
图片尺寸623x485
有两台水罐抽水泵,一用一备,水位到上限时开始抽水,到下限时停泵,两个
图片尺寸1280x1024
有谁能给我自动抽水泵的接线图呀?
图片尺寸456x350
sql2008经常自动停止服务水池水泵自动抽水控制电路简单实用电工电子
图片尺寸600x518
repeater circuit
图片尺寸715x482