自弹式tf卡座拆解图

自弹式tf内存卡 8pin内焊tf卡座 数码tf内焊式卡座 座子-阿里巴巴
图片尺寸1920x1624
一种tf卡座的制作方法
图片尺寸1000x811
9p外焊自弹式tf卡座详细原理结构图免费下载
图片尺寸731x510
tf卡座自弹式的接口定义
图片尺寸500x500
自弹式sim卡座
图片尺寸640x640
超薄自弹式tf卡座tf-108替代富士康tf卡座
图片尺寸600x702
tf自弹卡座双压片 micro tf卡座 sd小卡座 内存卡座
图片尺寸870x481
tf简易不自弹卡座 tf简易卡座miro sd卡槽不自弹tf卡座 micro卡座
图片尺寸717x496
tf卡座外焊(micro sd)自弹式
图片尺寸650x650
tf卡座自弹式的接口定义
图片尺寸500x500
厂家直销 tf简易卡座 t flash简
图片尺寸1065x736
tf自弹式内焊卡座 自弹式push tfcard 卡座连接器 常开型
图片尺寸750x750
tf卡座8p内焊内存卡座tf自弹式卡槽内存卡卡座读卡器卡座
图片尺寸1920x1920
tf卡座系列
图片尺寸783x781
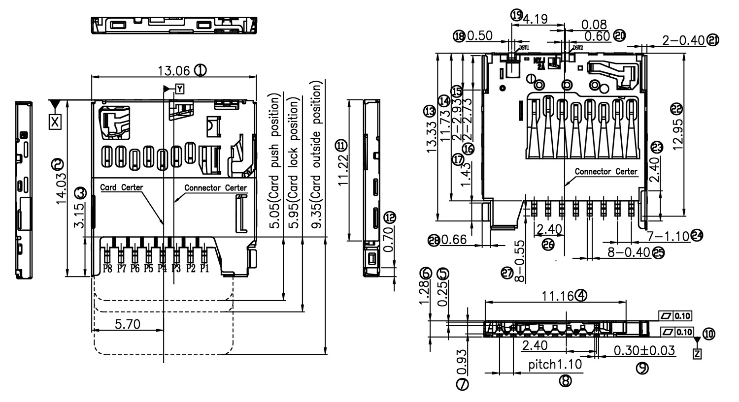
超薄自弹式tf卡座tf-108替代富士康tf卡座
图片尺寸1500x817
tf外焊卡座9p自弹式microsd卡槽tf内存卡tf015
图片尺寸1158x820
一种自弹式卡座制造技术
图片尺寸1000x846
tf卡座单弹 自弹式 micro sd储存卡手机内存卡座母座tf外焊卡座
图片尺寸360x360
tf卡座外焊push自弹式micro sd卡座储存卡的规格原理图免费下载-电子
图片尺寸496x361
nano sim卡座nano sim卡座连接器tf卡槽内焊常闭一体式内存卡自弹
图片尺寸620x620