自锁开关原理

p>自锁电路是电路中的一种,一旦按下开关,电路就能够自动保持持续通
图片尺寸640x472
自锁电路原理
图片尺寸718x464
p>自锁电路是电路中的一种,一旦按下开关,电路就能够自动保持持续通
图片尺寸529x605
线路的工作原理如下:先合上电源开关 q . 起动:按下起动按钮sb1
图片尺寸837x833
自锁实物接线图 工作原理:启动时,按动启动按钮sb2,接触器工作线圈得
图片尺寸1503x1280
交流接触器自锁,按钮开关带灯指示电路图 第1张
图片尺寸566x800
自锁按钮开关原理 自锁按钮开关接线图
图片尺寸550x367
一个有趣的自锁开关电路 - 程序员大本营
图片尺寸760x612
软件自锁开关电路
图片尺寸1253x774
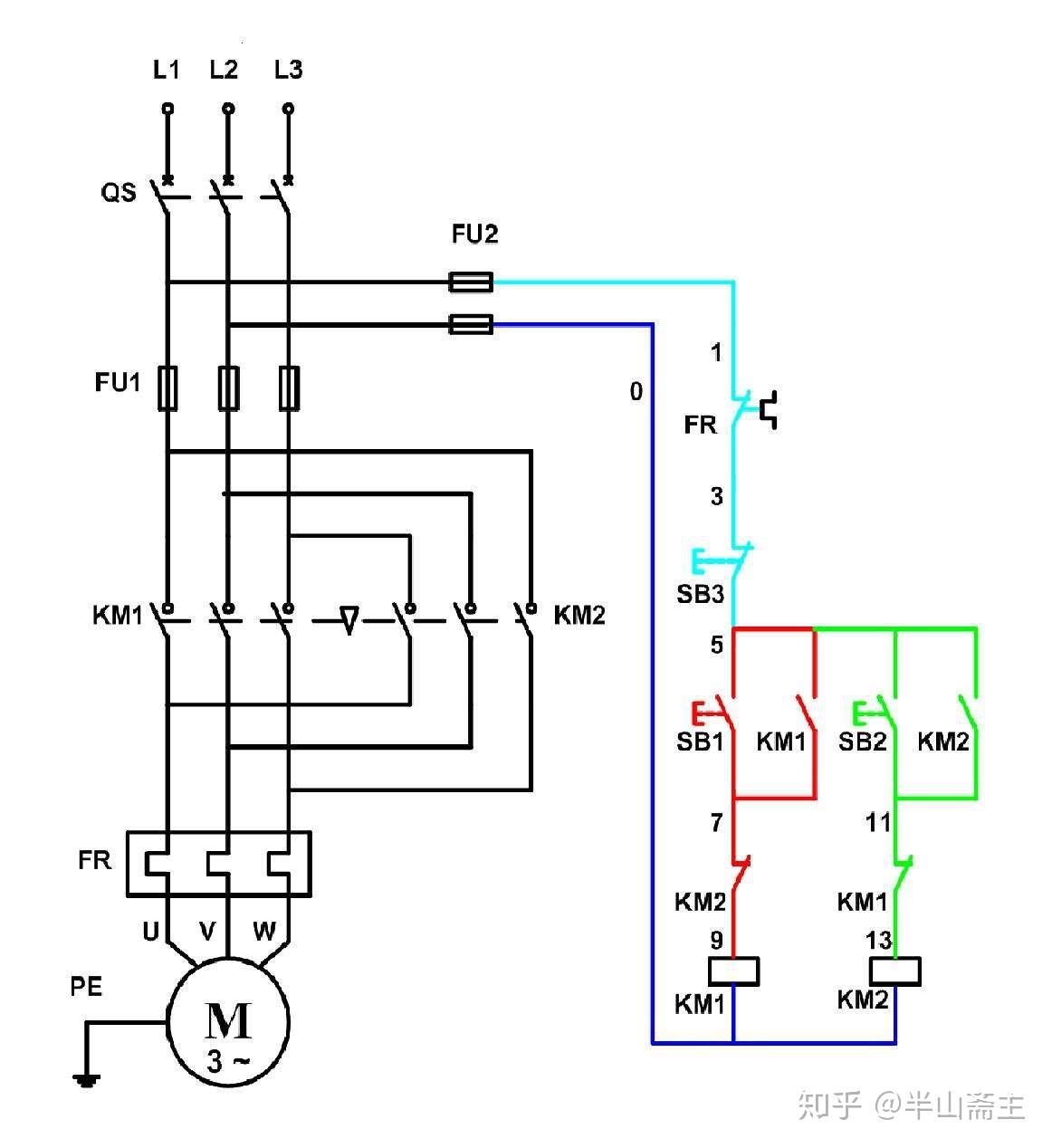
什么是接触器的自锁和互锁
图片尺寸1162x1268
接触器的自锁是怎么回事?来看看吧
图片尺寸766x537
可控硅单键自锁开关电路
图片尺寸426x245
接触器自锁问题
图片尺寸500x430
自锁电路图的工作原理 图片合集
图片尺寸300x300
两个不自锁的按钮开关一个交流接触器,怎么实现一按启动和一按停止,不
图片尺寸720x540
自锁正转控制电路
图片尺寸562x464
这种开关叫做自锁电路,一般继电器和按钮开关组成.
图片尺寸450x182
有自锁功能的开关电路(一)
图片尺寸508x523
一种自锁式电子开关电路的制作方法
图片尺寸1000x754
简单的继电器自锁开关控制电机电路
图片尺寸762x697