自锁结构图

攀登自锁器 自锁器
图片尺寸440x526
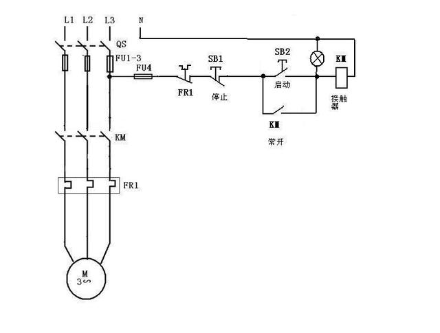
如果还不会自锁电路那就参考3个实物接线图吧
图片尺寸1360x702
操作机构的自锁机构的制作方法
图片尺寸451x1000
自锁电路原理
图片尺寸718x464
cn211038170u_一种自吸式锁有效
图片尺寸693x1000
继电器常用自锁电路图.doc
图片尺寸792x1120
一种新型自锁机构制造技术
图片尺寸510x1000
继电器常用自锁电路图.doc
图片尺寸792x1120
一种全自动锁体
图片尺寸1368x2547
自动锁体的制作方法
图片尺寸1000x961
《机械原理》课件_第五章②机械自锁
图片尺寸1080x810
自锁开关立式2脚,自锁按键开关两脚,迷你自锁开关立式
图片尺寸626x552
cn111550509b_一种新能源领域家用风力发电机传动轴用失速自锁机构
图片尺寸1462x1873
压紧自锁机构的制作方法
图片尺寸921x1000
为什么电机启停用自锁电路?直接加个开关不就行了
图片尺寸640x485
cn208132313u_一种焊接夹具用气动自锁装置有效
图片尺寸1379x1813
cn112610075a_按压式自锁机构和锁合装置在审
图片尺寸1000x829
一种双重自锁机构的制作方法
图片尺寸443x409
电工知识:接触器自锁的原理,用通俗话给你讲,电工一看就会
图片尺寸600x439
机械原理动画——带自锁的门把手
图片尺寸864x486