舞台灯光连接线路图片

晚会舞台灯光设计概要ppt
图片尺寸1080x810
舞台灯光设计培训详解
图片尺寸920x690
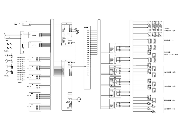
舞台灯光系统方案怎么做设计?一张图告诉你!
图片尺寸740x393
一种通过音频信号调节亮度的舞台灯
图片尺寸2876x1716
谈谈演播室灯光系统的局部改造-中国照明学会舞台电影电视照明专业
图片尺寸569x382
主要用于学校活动时使用,通过专业灯光控制台编程实现对舞台光区控制
图片尺寸893x509
舞台灯接线图
图片尺寸345x453
舞台灯光信号线光束灯三芯卡侬公母线音响功放话筒卡农音频连接线
图片尺寸800x800
灯光系统可为多功能厅表演舞台和演员呈现更加丰富绚丽的视觉效果
图片尺寸700x446
影视,舞台灯光供电系统设计方法技术方案
图片尺寸1000x795
舞台灯光设计方案
图片尺寸664x505
一种音效控制的舞台灯光系统技术方案
图片尺寸1000x853
舞台灯光设计概要(修改)ppt
图片尺寸1080x810
cn108712802a_舞台用灯光调节系统及方法在审
图片尺寸1717x1634
高校电子与智能化舞台机械与扩声灯光系统
图片尺寸760x474
led帕灯54颗3w led染色灯舞台灯光 婚庆灯光
图片尺寸750x1000
舞台激光灯转接控制电路
图片尺寸1915x873
工厂直销4通道dmx512恒压解码器 负载380w rgbw dmx灯条控制器
图片尺寸650x468
主题: 都来看看这个舞台led灯光电路
图片尺寸608x282
仅仅舞台上的灯光和布景吊杆就有53道
图片尺寸554x306