花键参数表梯形

din5480花键参数
图片尺寸1101x716
全套德国花键标准(第四部分已有,没有上传)
图片尺寸1518x2111
din5480德标花键计算表格
图片尺寸920x1301
一,花键联接的类型,几何形状和主要性能
图片尺寸795x767
din5480花键参数
图片尺寸920x650
din 5482 渐开线花键 中文参考版
图片尺寸708x755
全套德国花键标准(第四部分已有,没有上传)
图片尺寸1518x2111
渐开线花键的尺寸(参照din5482)
图片尺寸893x569
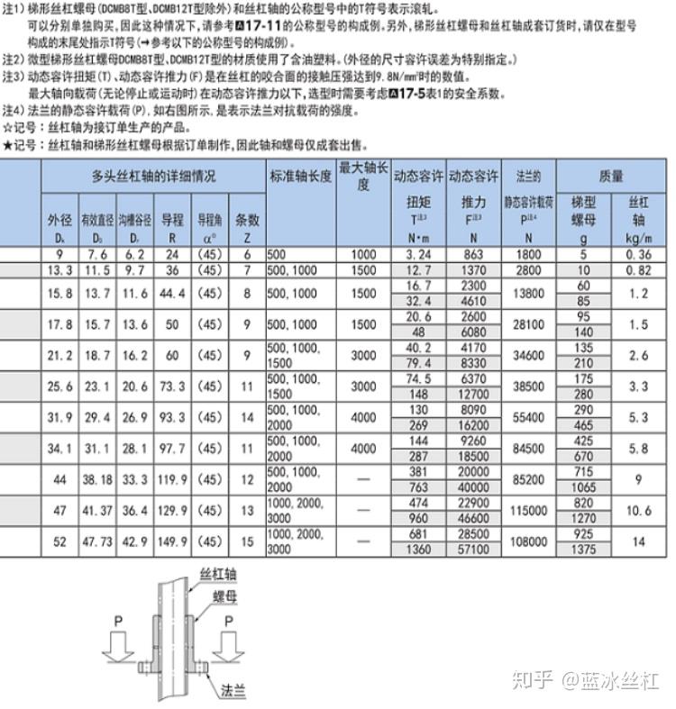
滚珠梯形花键丝杆dpm/dp/ss/dcmb/dcma/ct/lt/lbf/ltr/lf blk bns
图片尺寸1500x1920
thk梯形花键
图片尺寸725x1147
滚珠梯形花键丝杆dpm/dp/ss/dcmb/dcma/ct/lt/lbf/ltr/lf blk bns
图片尺寸1500x1920
花键公式计算
图片尺寸920x1302
一,花键联接的类型,几何形状和主要性能
图片尺寸828x700
帕克sae内花键尺寸
图片尺寸748x1116
渐开线花键设计计算公式
图片尺寸920x1303
din 5480德国渐开线花键标准
图片尺寸1518x2145
thk梯形花键
图片尺寸750x787
标准键尺寸参数
图片尺寸920x1303
din 5480德国渐开线花键标准
图片尺寸1518x2111
花键公式计算_第1页
图片尺寸920x1303