花键轴图纸画法

花键轴.pdf
图片尺寸800x566
花键轴pdf
图片尺寸920x651
钻夹具零件图花键轴pdf
图片尺寸800x568
矩形齿花键轴
图片尺寸582x799
花键轴
图片尺寸830x654
矩形齿花键轴工艺卡
图片尺寸744x578
a3-花键轴.dwg
图片尺寸1200x800
花键轴花键副总成花键套关节轴承490焊接叉头关节490法兰叉头图纸参数
图片尺寸820x646
花键轴
图片尺寸1654x1169
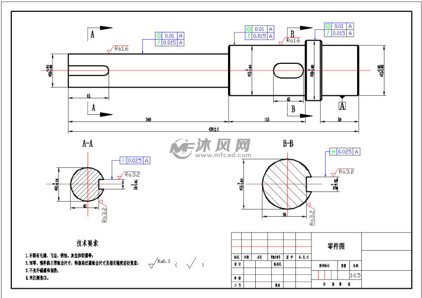
钻夹具零件图 花键轴.pdf
图片尺寸800x566
a2-花键轴.dwg
图片尺寸1200x800
a3花键心轴pdf
图片尺寸800x566
花键轴pdf
图片尺寸800x566
花键轴-a3.dwg
图片尺寸1200x800
矩形齿花键轴加工工艺及铣键槽夹具设计 - 零部件模型图纸 - 沐风网
图片尺寸841x594
毕业设计真空吸盘式气动机械手导向花键轴
图片尺寸1185x1727
【求助】花键轴的表达 及钣金问题
图片尺寸645x538
肩部花键轴的车右端外圆及端面夹具设计 - 机械加工图纸 - 沐风网
图片尺寸830x654
花键轴支重轮纯电动三角履带轮底盘设计,包括三角履带轮设计,底盘框架
图片尺寸820x579
花键轴图纸
图片尺寸1264x918