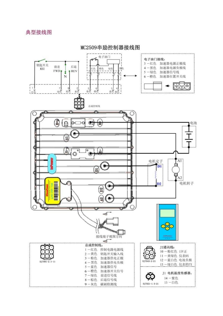
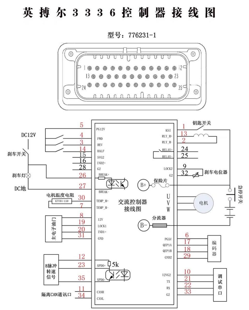
英搏尔3526接线图

英博尔控制器接线图解说明 - 抖音
图片尺寸1134x1652
英博尔控制器接线图解说明 - 抖音
图片尺寸1152x1266
分享低速电动汽车英博尔控制器接线图 - 抖音
图片尺寸828x1002
分享低速电动汽车英博尔控制器接线图
图片尺寸905x1280
分享低速电动汽车英博尔控制器接线图
图片尺寸1029x1280
英博尔控制器接线图和故障报警声解析 - 抖音
图片尺寸1152x1285
英博尔控制器接线图解说明 - 抖音
图片尺寸1105x1910
3526接线图1
图片尺寸800x1133
分享低速电动汽车英博尔控制器接线图
图片尺寸1029x1280
英搏尔控制器3528接线定义3527图纸注解
图片尺寸600x328
英博尔控制器mc3526接线
图片尺寸790x500
关于英搏尔3526系列控制器图纸的报告就到里了,本人才疏学浅文章难免
图片尺寸600x744
英搏尔3526/3527/3528接线图注解
图片尺寸640x355
3525 324图纸板板做好了 - 抖音
图片尺寸1080x1920
英搏尔交流控制器安装视频
图片尺寸1920x1080
英搏尔控制器金彭赛驰宝马奔驰汉唐电动汽车英博尔控制器mc3526
图片尺寸960x960
控制器接线教程
图片尺寸967x1280
车载dvd改家用接线教程
图片尺寸704x517
英搏尔3526交流控制器
图片尺寸618x618
英博尔控制器3526英搏尔3527电动车道爵雷丁丽驰宝雅鸿日3528配件
图片尺寸800x800