莲花插头尺寸

av端子三孔莲花座 av同芯插口系列rca-305a 三孔音频视频插座
图片尺寸1270x306
插座莲花母座av插头音响功放rcarca头
图片尺寸750x527
供应三芯以色列插头电源线 以色列电源插头
图片尺寸772x322
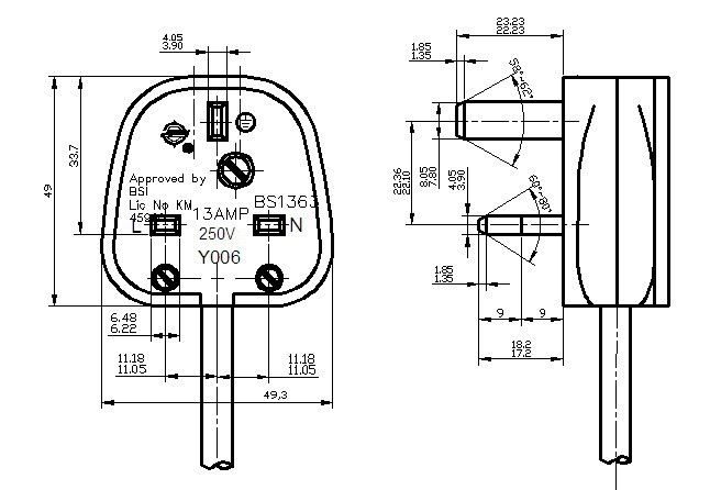
插头插座尺寸标准
图片尺寸959x1356
【插头规格】各国电压概况说明大全 图解,世界各国电源插头标准
图片尺寸640x845
5转莲花母头6.5转rca转换器调音台转接线音频音响插头接头-阿里巴巴
图片尺寸790x458
dc插头3.5*1.3/dc电源插头1.3/dc电源插座插头.dc母座插头1.3mm
图片尺寸734x581
稳压电源3孔国标母插座10a250v方形27*27中式ac电源插座db-14-m-1
图片尺寸750x751
rca插座 2脚 av同芯插座 pcb焊接式音频视频插座莲花座 av-8.4-5
图片尺寸525x279
直流电源输出插头尺寸
图片尺寸918x1188
pj359spj35插口系列接插件rca同芯插座dc电源插座
图片尺寸924x1024
插头插座尺寸标准
图片尺寸950x1330
供应厂家直销 国标两插电源线 8字尾插头 两极环保电源线 ccc 3c认证
图片尺寸663x246
2.5耳机插座公头/2.5mm耳机母座插针/2.5耳机插孔插头
图片尺寸570x490
iec 320 c14 直角插头
图片尺寸1654x2339
【企业集采】欧洲插头电源线 欧式电源线插头 欧规电源线ac电源线
图片尺寸750x696
5大二芯话筒麦克风音频转接头6.35转av莲花头
图片尺寸750x756
厂家生产英规带保险丝注塑插头电源线/新加坡香港英国电源线
图片尺寸646x446
接线柱 #rca #莲花插头 # - 抖音
图片尺寸800x800
甬威纯铜rca莲花母座 镀金紫铜av莲花插头音响音频线功放插座端子
图片尺寸800x800