虹吸罐 图纸

一种兼具贮液器和洗涤式油分功能的立式虹吸罐
图片尺寸1501x2239![泵入口虹吸罐结构图 [帖子1241584]](https://i.ecywang.com/upload/1/img1.baidu.com/it/u=4274733233,3524579773&fm=253&fmt=auto&app=138&f=PNG?w=500&h=402)
泵入口虹吸罐结构图 [帖子1241584]
图片尺寸929x747
一种铜箔电解液虹吸罐的制作方法
图片尺寸654x1000
泵入口虹吸罐结构图
图片尺寸647x672
离心泵入口处接虹吸罐
图片尺寸641x533
离心泵虹吸罐吸不上料
图片尺寸830x510
大型泵站虹吸系统基本结构
图片尺寸3312x3091
一种可吸渣浆的虹吸罐
图片尺寸789x1000
衬塑真空虹吸桶 简易安装玻璃钢真空桶引水罐真空搅拌 环保设备
图片尺寸750x610
热虹吸储液罐
图片尺寸856x1755
一种应用于高速泵的虹吸罐
图片尺寸1000x812
污水处理虹吸桶引水罐详图
图片尺寸678x500
一种应用于高速泵的虹吸罐的制作方法
图片尺寸1000x811
电路电路图电子户型
图片尺寸700x1089
s型卧式双吸中开离心泵安装虹吸桶引水罐方法
图片尺寸594x368
一种离心泵引水罐制造技术,离心泵虹吸罐安装图专利_技高网
图片尺寸773x1000
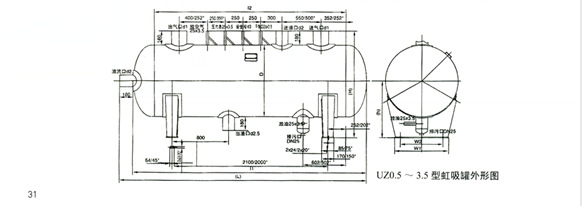
厂家直销 氨制冷压缩机系统配件设备虹吸罐 uza系列虹吸罐
图片尺寸582x206
cn204436724u_自灌式地面安装同步排吸消防泵组有效
图片尺寸903x1000
一种高效自吸罐的制作方法
图片尺寸454x582
定制虹吸引水罐环保式泵前真空罐304密闭容器真空虹吸罐嘉兴
图片尺寸800x496