蜗杆怎么画

精密多导程蜗轮蜗杆副涡轮蜗杆传动作业答案(学生)蜗轮蜗杆的画法
图片尺寸2268x1741
蜗杆图
图片尺寸397x256
蜗轮蜗杆加工图画法及图例.docx
图片尺寸792x1120
蜗轮蜗杆的画法doc
图片尺寸920x1302
蜗杆参数设计
图片尺寸649x503
蜗轮蜗杆的画法
图片尺寸624x344
蜗杆蜗轮图
图片尺寸643x429
cn2767757y_蜗轮蜗杆失效
图片尺寸709x571
蜗杆,蜗轮画法
图片尺寸731x1110
蜗杆,蜗轮画法
图片尺寸731x746
请教一个蜗轮蜗杆标注的问题
图片尺寸754x339
蜗轮蜗杆的结构简图怎么画
图片尺寸619x529
邹军:蜗杆程序案例
图片尺寸1080x552
如图所示为一标准蜗杆传动蜗杆主动旋向如图所示转矩t125nm模数m4mm
图片尺寸423x255
solidworks蜗轮蜗杆怎么画
图片尺寸576x492
关于机械如何画图
图片尺寸403x395
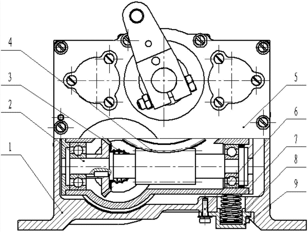
用于消除蜗轮蜗杆传动间隙的装置-爱企查
图片尺寸1000x755
绘制蜗杆工程图
图片尺寸474x358
机械设计-蜗杆习题与参考答案
图片尺寸583x551
圆柱蜗杆蜗轮术语及代号圆柱蜗杆gb10008688
图片尺寸350x351