螺柱焊原理

(螺柱焊接的工作原理)
图片尺寸920x458
螺柱焊工艺全面解读:原理,方法与应用
图片尺寸783x1071
螺柱焊在船舶柴油机中的应用与缺陷解决指南
图片尺寸2362x1785
拉弧式螺柱焊焊接过程演示
图片尺寸3769x2160
螺柱焊
图片尺寸720x960
螺柱焊接技术与工艺全解析
图片尺寸1212x449
电弧螺柱焊工艺说明
图片尺寸900x500
(螺柱焊接的工作原理)
图片尺寸920x286
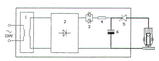
电弧螺柱焊的原理及典型参数
图片尺寸650x413
一起涨知识啦~✨
图片尺寸720x960
简述机器人螺柱焊接工艺
图片尺寸716x769
电弧螺柱焊的原理及典型参数
图片尺寸440x585
6种焊接原理速览
图片尺寸415x222
—搅拌摩擦焊简介及在新能源汽车领域的应用
图片尺寸480x400
螺柱焊的特点螺柱焊的工作原理
图片尺寸488x321
短周期拉弧螺焊柱接: 用于快速焊接直径12毫米以下的螺柱
图片尺寸792x236
车身铝螺柱焊质量研究与应用
图片尺寸350x458
螺柱焊
图片尺寸518x200
储能焊用焊接螺柱
图片尺寸880x1563
汽车螺柱焊介绍
图片尺寸956x717