螺母零件图

din 34814 塑料六角螺母
图片尺寸753x396
螺母加工
图片尺寸590x838
供应烁泰 304不锈钢螺母m4-m10系列多种可定制
图片尺寸794x278
求购 螺母,详细尺寸请看附件中图纸
图片尺寸1909x1051
q3212012六角法兰螺母
图片尺寸2245x1387
q 802b-2012 卡套式管接头用六角薄螺母
图片尺寸2245x1387
en 14399-7-2018 高强度用 hr型 大六角螺母
图片尺寸2245x1387
jb 1706 压套螺母
图片尺寸2245x1387
35crmo法兰面螺母
图片尺寸718x499
jis b1181-2004 系列4半精制单倒角六角螺母-垫圈面表1-2
图片尺寸2245x1387
六角螺母
图片尺寸1024x591
gbt8091988嵌装圆螺母b型
图片尺寸2245x1387
iso 12125-1997 非金属细牙六角法兰锁紧螺母
图片尺寸2245x1387
现货供应尼龙防松六角螺母自锁锁紧螺母防滑防脱螺帽
图片尺寸1175x643
压紧螺母.dwg
图片尺寸1200x800
hb 8051 mj螺纹压装配自锁螺母(d=mj12,14)
图片尺寸2245x1387
专业供应 压紧螺母 防爆器材 a0a1
图片尺寸600x450
基于solidworks车床夹具虚拟设计【开合螺母】【说明书 cad】
图片尺寸1200x800
开合螺母零件图参考用pdf
图片尺寸800x568
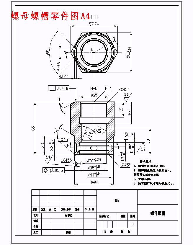
螺母螺帽零件图a4
图片尺寸654x830