螺纹塞规图纸

塞规pdf
图片尺寸800x568
塞规图纸共享给大家
图片尺寸1616x2272
塞规图纸共享给大家
图片尺寸1568x2224
塞规图纸共享给大家
图片尺寸1568x2224
成量美标统一螺纹塞规un unc unef厂家价格
图片尺寸790x829
塞规图纸共享给大家
图片尺寸1584x2224
塞规图纸共享给大家
图片尺寸1568x2224
楔形螺纹塞规的测量方法
图片尺寸2504x1887
g1g3成量英制55度密封螺纹塞规量规
图片尺寸790x634
内六角锥形螺塞
图片尺寸1143x2216
安装钢丝螺套螺孔用螺纹塞规行业标准
图片尺寸505x299
g-55°非密封管螺纹工作塞规 量规 通止规 牙规 标准非标定做 厂家
图片尺寸709x1000
塞规图纸共享给大家
图片尺寸1568x2224
外六角螺塞
图片尺寸1890x704
楔形螺纹塞规的测量方法
图片尺寸2504x1383
jb_t 1001-1977内六角螺塞
图片尺寸1258x1852
qc/t 383-2013 六角头锥形磁性螺塞(dz>npt1)
图片尺寸2245x1387
气瓶专用螺纹量规概述
图片尺寸566x591
哈螺纹内螺纹通止规牙规锯齿塞规公制环塞规校对塞规量规m24*2m48*1.
图片尺寸790x975
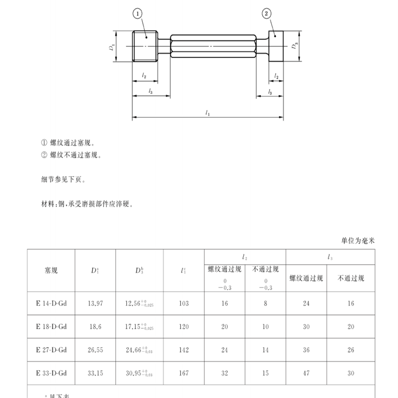
3-2017/iec60269-3:2013螺纹塞规通规通过环规和不通过塞规e18-d
图片尺寸800x800