补偿器图例

补偿器系列产品
图片尺寸1097x1421
采暖管道中图中补偿器的标注,18f代表什么意思呢,怎么计数?
图片尺寸1074x545
波纹补偿器dn150
图片尺寸710x485
带压堵漏球形补偿器-爱企查
图片尺寸1792x1760
波纹补偿器
图片尺寸1308x745
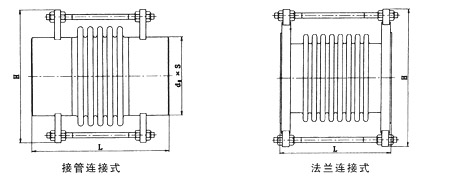
通用型补偿器外形图
图片尺寸523x564
法兰不锈钢波纹管补偿器耐高温高压腐蚀矩形金属膨胀节dn50dn70
图片尺寸790x1821
非金属高温补偿器-非金属高温补偿器-中创机械
图片尺寸513x641
图15-3 光滑弯管方形补偿器计算图
图片尺寸812x442
非金属补偿器
图片尺寸1650x2756
波纹补偿器
图片尺寸800x600
管道补偿器安装
图片尺寸416x424
dn800大拉杆补偿器
图片尺寸820x388
不锈钢补偿器
图片尺寸449x182
pn0.6mpa dn450-1300单式铰链型波纹补偿器
图片尺寸426x296
管道补偿器安装
图片尺寸600x419
dn800大拉杆补偿器装配图
图片尺寸657x461
套筒式补偿器
图片尺寸408x270
角向(ygdj)波纹补偿器
图片尺寸444x452
cn2314214y_力平衡波纹补偿器失效
图片尺寸800x666