表冷器工作原理

擎立干货 | 毛细管在制冷系统中的工作原理与过程
图片尺寸640x504
表面冷却器热工性能实验
图片尺寸1014x630
冷凝器的工作原理是怎么样的
图片尺寸860x415
一种表冷器的制作方法
图片尺寸886x1000
一种组合式空调机组表冷器
图片尺寸360x360
以夏季处理过程为例,新风(w)经表冷器处理至机器露点l后,再由除湿器以
图片尺寸662x459
一种表冷器防冻系统装置的制作方法
图片尺寸1000x976
一种表冷器
图片尺寸1000x749
风机将室内空气或室外混合空气通过表冷器进行冷却或加热后送入室内
图片尺寸500x338
邦净环保-低温污泥干化设备
图片尺寸1416x512
从1976年美国军团菌肺炎事件谈中央空调清洗的重要性
图片尺寸640x361
38孔铜管铝箔风机盘管表冷器蒸发器
图片尺寸1000x1415
cn209319154u_一种便于安装的表冷器有效
图片尺寸770x1000
空调机组高效节能表冷器的制作方法
图片尺寸871x1000
泰州表冷器,泰州表冷器应用,世纪星空调
图片尺寸800x550
tls型表冷器
图片尺寸810x342
冷凝器的种类和工作原理
图片尺寸736x370
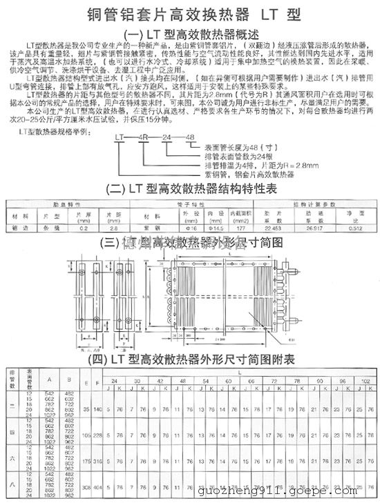
表冷器尺寸表冷器压力表冷器进出水方式表冷器阻力表冷器厂
图片尺寸550x729
系统主要由喷射式凝汽器,水力机械组和间冷冷却塔三部分组成.
图片尺寸559x341
新风机组 干盘管 ffu的空气处理方案为什么要做两级表冷器?
图片尺寸750x373