表层套管示意图

p>表层套管是 a>油气井 /a>套管程序里最外层的套管. /p>
图片尺寸550x486
p>表层套管是 a>油气井 /a>套管程序里最外层的套管. /p>
图片尺寸550x363
人防密闭穿墙套管的应用与选择
图片尺寸640x396
> 石油套管(2)分类:在石油开采过程中使用的不同类型的套管:表层石油
图片尺寸893x395
冶金/矿山/地质 d2-气井完井 气井完井,天然气, 井眼 表层套管 套管
图片尺寸1077x808
一般穿墙套管图例
图片尺寸809x808
套管的种类 按使用目的不同分为: 表层套管 技术套管(又称中技
图片尺寸1080x810
防水套管标准规范
图片尺寸2000x1434
一般穿墙套管图例
图片尺寸1156x600
刚性防水套管工作注意要点
图片尺寸640x355
套管式密闭法——柔性防水套管做法
图片尺寸640x423
comem24kv250a变压器纯瓷套管
图片尺寸720x1024
柔性防水套管
图片尺寸598x524
图解刚性防水套管安装说明
图片尺寸640x409
刚性防水套管b型需要打浇注料吗
图片尺寸640x341
图1 页岩气典型井身结构示意图油井管的技术结构与井身的结构有密切的
图片尺寸1280x935
柔性防水套管b型结构原理
图片尺寸640x531
05 套管安装示意图
图片尺寸760x376
柔性防水套管建筑工程直供预埋穿墙人防密闭套管刚性柔性防水套管国标
图片尺寸864x482
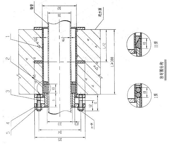
30mm:为表层套管头调节间隙.t3:其二层套管头深度.t1:表层套管头深度.
图片尺寸651x506