袋式除尘器图纸

袋式除尘器节能降耗途径的探讨
图片尺寸1890x1724
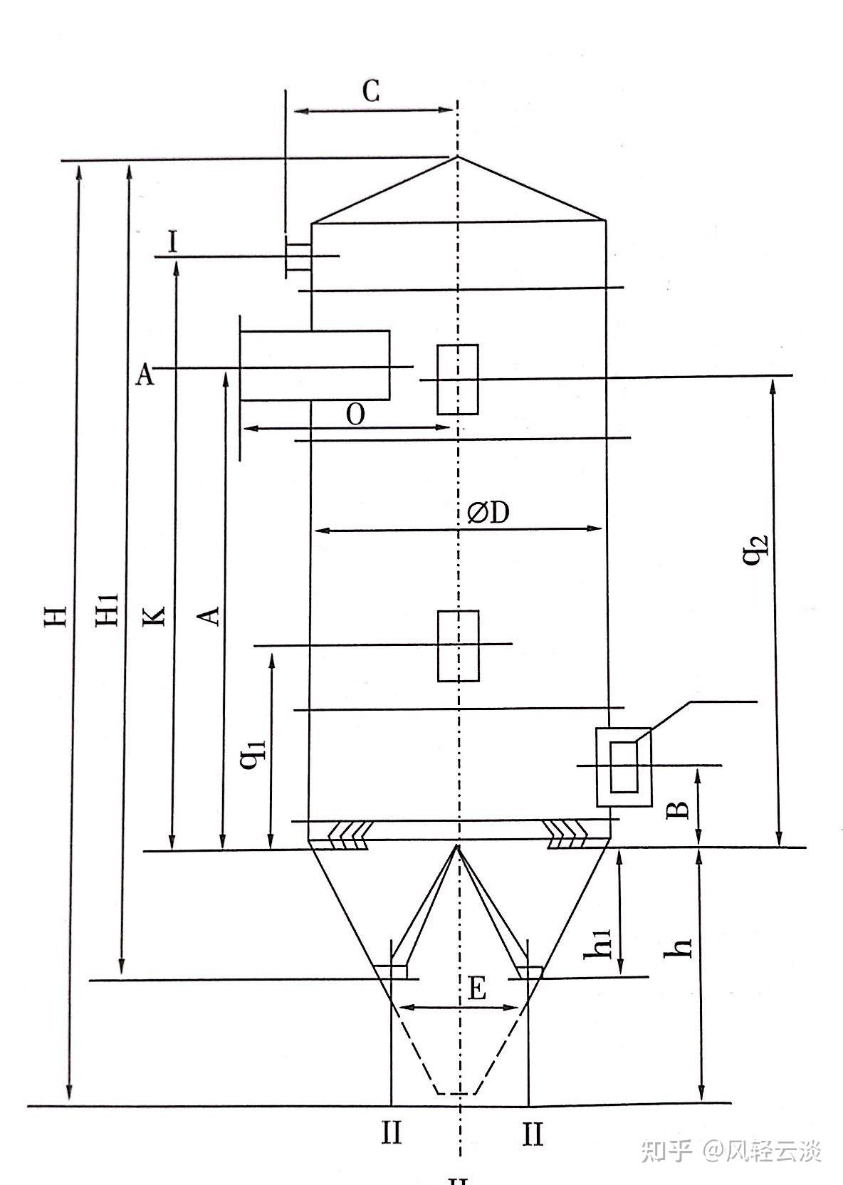
lfef型玻纤袋式除尘器结构图纸
图片尺寸1504x1792
对其他除尘器的设计有很高的借鉴价值,我不怎么会做缩略图,但看图纸
图片尺寸560x417
ppw32-4气箱脉冲袋式除尘器总图下载(378.28 kb,dwg格式) 机械cad图纸
图片尺寸1130x767
ppw64-4气箱脉冲袋式除尘器全套图下载(2.27 mb,rar格式) 机械cad图纸
图片尺寸1144x698
高压离线脉冲袋式除尘器结构图纸免费提供,下面展示的是常见,常用的
图片尺寸1696x2144
dmc脉冲布袋式除尘器
图片尺寸800x600
多室布袋除尘器设计cad图纸
图片尺寸610x861
布袋除尘器结构图
图片尺寸600x480
lcm型长袋离线脉冲除尘器
图片尺寸1600x2080
dmc-48袋脉冲布袋除尘器图纸|滤袋|清灰|灰斗|含尘_网易订阅
图片尺寸660x472
10000m3布袋除尘器设计图dwg
图片尺寸800x500
小型布袋除尘器cad图纸
图片尺寸660x844
布袋除尘器,平立面_co土木在线图纸下载
图片尺寸708x506
布袋除尘器装配图
图片尺寸1440x1020
扁布袋除尘器示意图
图片尺寸560x403
袋式反吹式除尘器结构图纸免费提供,下面展示的是常见,常用的袋式反吹
图片尺寸1184x1664
气箱脉冲袋式除尘器总装图(5种型号)下载_筛分/破碎/除尘_机械图纸
图片尺寸738x524
mc型脉冲袋式除尘器
图片尺寸920x684
多室布袋除尘器dwgdwg
图片尺寸800x500