被加工零件工序图

汽车变速器上盖零件被加工零件工序图
图片尺寸868x1229
机械加工工序图
图片尺寸1155x746
零件加工流程图
图片尺寸307x337
生产机加工件工艺流程图
图片尺寸596x371
生产机加工件工艺流程图.docx 2页
图片尺寸792x1120
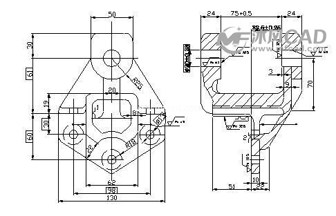
被加工零件工序图
图片尺寸486x313
一般机械零件工艺制造流程图
图片尺寸298x338
ug编程零件加工模具加工的一般流程零基础
图片尺寸730x444
车床主轴加工工艺过程.docx 5页
图片尺寸2261x1601
角钢塔加工工艺流程图 注: 标△的工序设置了质量控制点.
图片尺寸585x824
数控加工工艺编程零件图15.docx
图片尺寸993x1404
(专)机械加工基础
图片尺寸344x370
数控车床加工件零件图及编程程序
图片尺寸1914x2706
生产机加工件工艺流程图.doc 1页
图片尺寸1594x2255
被加工零件工序图a3.dwg
图片尺寸1200x800
零件机械加工工艺设计原则的探讨
图片尺寸603x1016
被加工零件图
图片尺寸1823x1155
1fl6系列伺服电机端盖加工工艺改善
图片尺寸1984x1362
ca6140机床后托架机械加工工艺及铣底面夹具设计
图片尺寸1200x800
铣削(加工中心)加工零件数控工艺分析(1)平面轮廓零件如图2-41所示.
图片尺寸1185x804