装盒机传动装置图

装盒机物料下放机构的介绍
图片尺寸667x400
包装机械的传动装置示意图
图片尺寸306x296
高速装盒机装盒机传动装置图原理说明
图片尺寸726x629
快递纸箱封箱机
图片尺寸639x551
高速装盒机
图片尺寸726x509
后传动
图片尺寸820x665
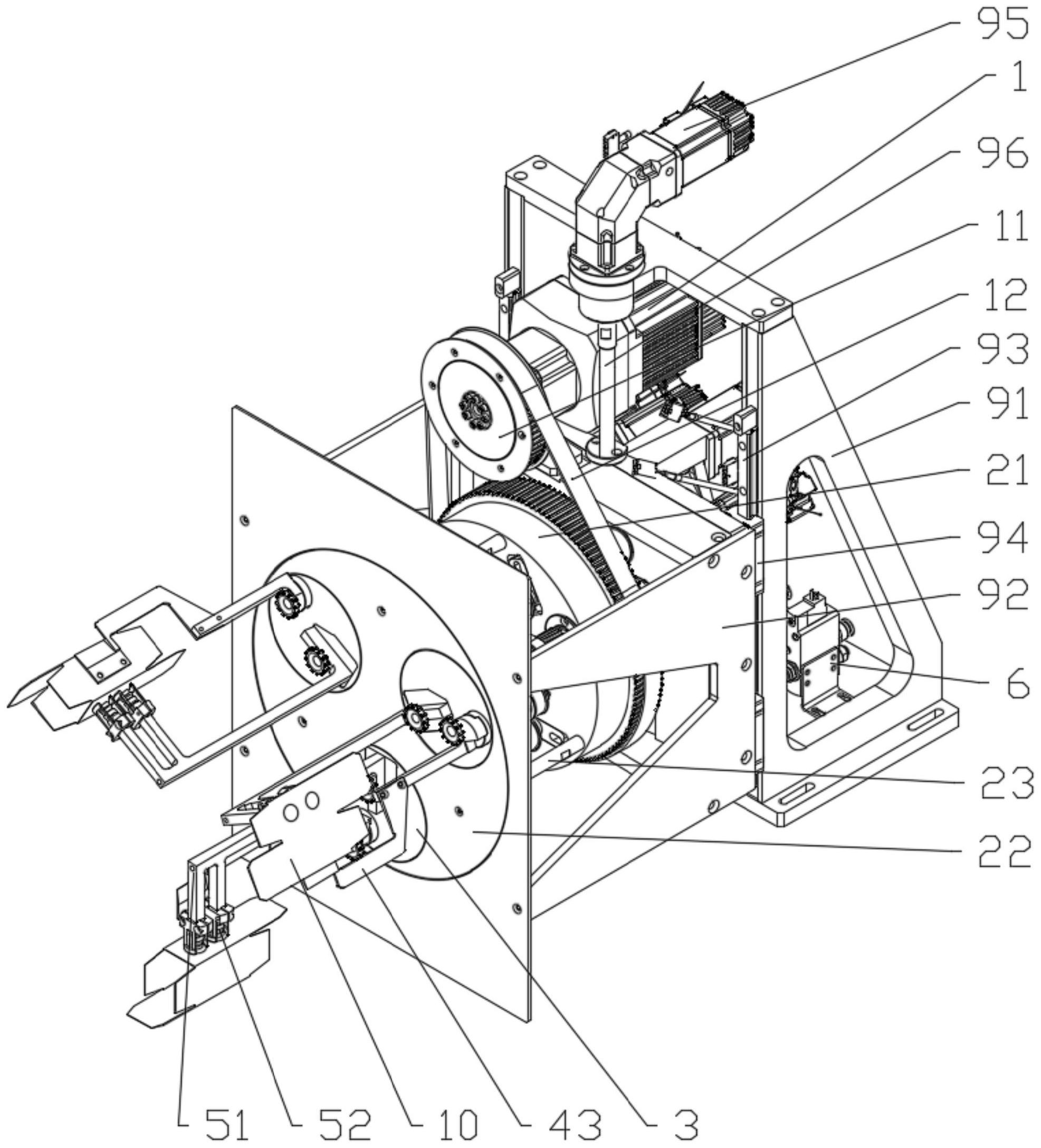
本发明公开了用于装盒机的纸盒打开装置,包括主传动伺服组件,主传动盘
图片尺寸1973x2175
全自动立式颗粒包装机传动系统及横封机构的改进与仿真
图片尺寸458x672
保鲜膜装盒机_保鲜膜盒装纸盒包装机械设备
图片尺寸800x463
高速装盒机
图片尺寸693x531
一种装盒机的单轴传动机构的制作方法
图片尺寸1000x721
公开了一种侧立码料装盒机构,包括:传动系统,包括第一和第二传输装置
图片尺寸1993x1331
高速连续式装盒机行星轮开盒机构设计含图纸非常详细
图片尺寸720x528
一种纸盒装箱机,包括机架,和布设在机架上的箱子进给装置,纸盒进给
图片尺寸1000x892
药品包装机结构设计【药品装盒机上料装盒装置】[含cad高清图纸和说明
图片尺寸1200x800
将图3所示的机构表示成图4所示的机构传动简图,能更好的分析机构运动.
图片尺寸726x357
高速装盒机
图片尺寸596x496
一种新型全自动装盒机的传送装置的制作方法
图片尺寸1000x654
自动装盒机原理图片介绍
图片尺寸750x450
属于装盒机领域,用于装盒机的纸片传送装置包括纸片输入装置,纸片传动
图片尺寸295x360