装载机油路示意图

无惧严苛超越极限三一sw955ks装载机利刃出鞘
图片尺寸505x360
【行业百科】山工装载机的变矩器及变速箱常见问题(二)
图片尺寸653x406
装载机维修技术ppt
图片尺寸1080x810
【图文】柴油机油路
图片尺寸920x1191
雷沃装载机转向系统的特点
图片尺寸658x416
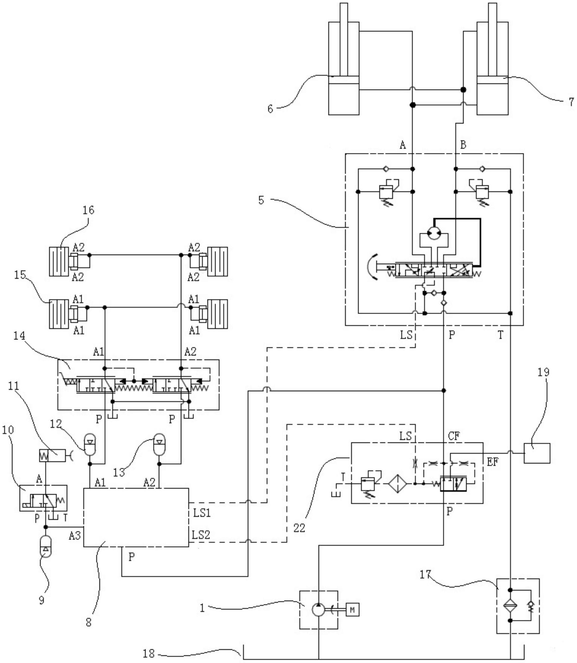
装载机,其中液压系统中的负载敏感充液阀具有充液油路和负载压力信号
图片尺寸1907x2192
装载机液压系统工作原理
图片尺寸600x800
自动变速器油路图
图片尺寸920x1302
属具接口油路及装载机的制作方法
图片尺寸1000x947
zl50g型装载机动臂下降缓慢故障的排除
图片尺寸623x754
轮式装载机制动失灵故障的分析与判断
图片尺寸443x465
图解说设备:新机速递——英轩yx656hv装载机怎么样?
图片尺寸600x800
行业百科山工装载机液压系统详解一
图片尺寸900x493
装载机变速箱液压系统压力不足是怎么回事?该如何处理呢?
图片尺寸663x506
装载机简介,维护保养(客户培训教材)bdppt
图片尺寸1080x810
zl20装载机工作原理分析
图片尺寸993x514
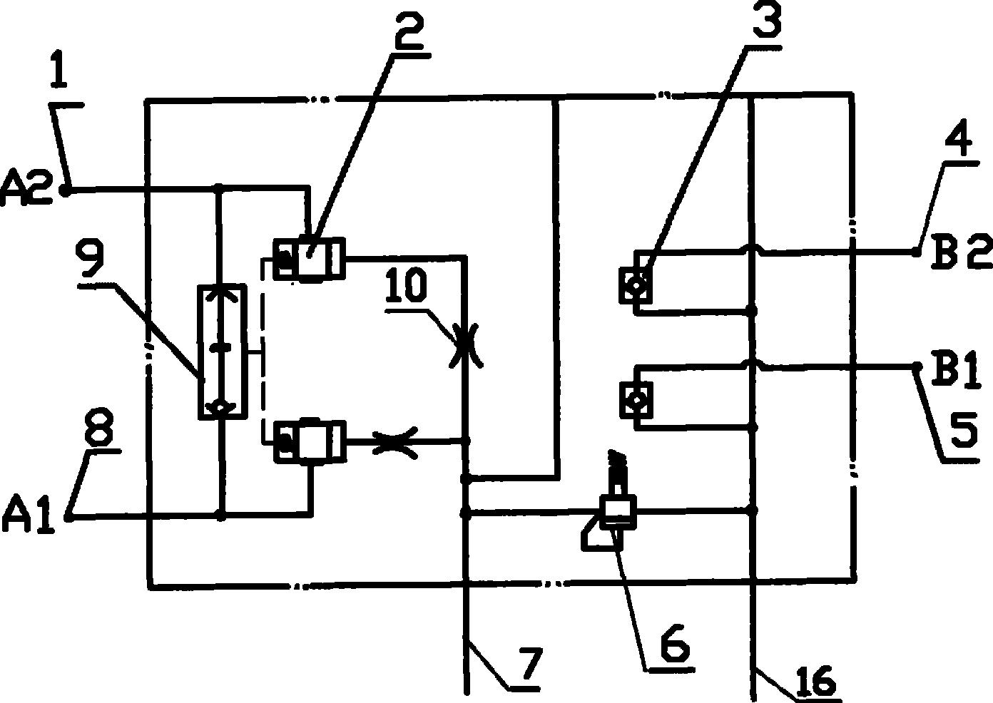
摘要附图摘要本发明公开了装载机液压油路集成阀,它包括逻辑阀(2)
图片尺寸1392x986
行业百科山工装载机液压系统详解一
图片尺寸900x648
【行业百科】山工装载机液压系统详解(二)
图片尺寸900x540
lg953n装载机
图片尺寸645x477