西尼电梯默纳克电路图

西尼电梯nx330电气原理图pdf15页
图片尺寸792x1120
默纳克nice3000安全回路详解
图片尺寸1225x867
1客货梯默纳克3000电气原理图省接触器pdf
图片尺寸860x1217
文档下载 所有分类 工程科技 电子/电路 > 默纳克3000电气图侵权投诉
图片尺寸1648x2336
西尼电梯nx330电气原理图pdf15页
图片尺寸792x1120
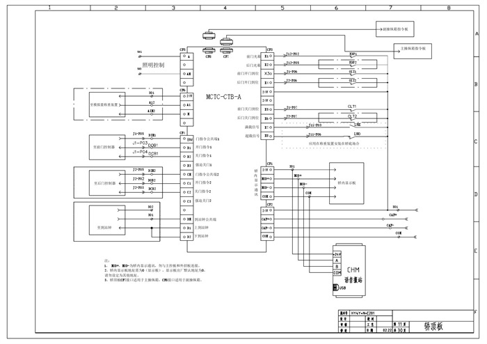
默纳克3000 电气原理图
图片尺寸640x453
资深电梯人讲解默纳克3000电气原理图干货
图片尺寸2048x1448
1-3,默纳克nice3000电气原理图 - 电梯114
图片尺寸700x494
默纳克抱闸检测接线图
图片尺寸3488x2367
1客货梯默纳克3000电气原理图省接触器2pdf35页
图片尺寸1120x792
3_西尼电梯新时达原理图_10页.pdf
图片尺寸800x1117
1客货梯默纳克3000电气原理图省接触器pdf
图片尺寸860x608
默纳克门锁旁路检测说明
图片尺寸554x289
资深电梯人讲解默纳克3000电气原理图干货
图片尺寸3509x2481
电梯默纳克系统控制柜中的变频器输入为什么放一个相序继电器?
图片尺寸496x278
莫纳克 默纳克3000 电气原理图
图片尺寸2147x1206
1-3,默纳克nice3000电气原理图 - 电梯114
图片尺寸700x494
默纳克系统变频器_电梯控制系统电路概况
图片尺寸572x731
资深电梯人讲解默纳克3000电气原理图
图片尺寸1280x905
资深电梯人讲解默纳克3000电气原理图(干货)
图片尺寸1000x707