西门子电梯图纸

西子电梯原理图
图片尺寸1714x1211
西门子s7-200 224cn的梯形图解析
图片尺寸1920x2560
生活服务
图片尺寸1624x2304
西子电梯原理图
图片尺寸1185x837
西子电梯原理图
图片尺寸1714x1211
西子电梯原理图xaa21310g g14-d (1)
图片尺寸1263x1787
基于西门子s7-200plc的八层电梯控制系统设计
图片尺寸742x1102
西子变频扶梯的图纸,对你学习电梯,尤其是扶梯一块应该会有用吧
图片尺寸2308x1624
西门子plc电梯控制毕业设计
图片尺寸526x384
电梯施工图下载
图片尺寸2560x1920
西奥xo-con4342电梯电气原理图
图片尺寸1403x1985
西奥easy-con中分双折门机说明书 - 电梯114
图片尺寸992x1403
西门子s7-200plc在八层电梯控制系统设计上的应用
图片尺寸604x855
plc三层电梯课程设计梯形图(西门子)
图片尺寸539x649
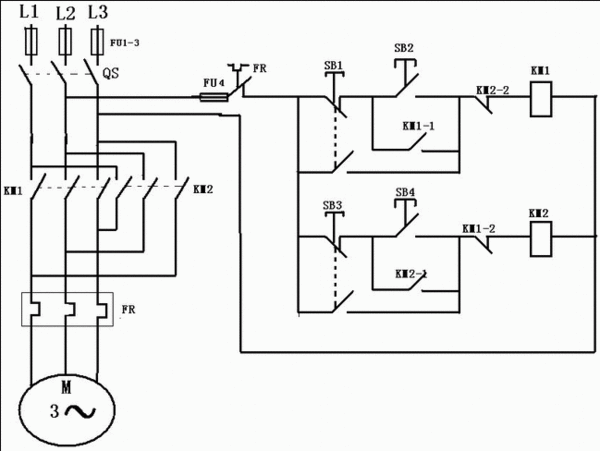
请写出上述控制回路的西门子plc梯形图
图片尺寸600x451
电梯施工图下载
图片尺寸2560x1920
otis-star扶梯原理图纸
图片尺寸1222x1725
五层电梯的plc控制设计【西门子】【优秀机械机电毕业
图片尺寸703x503
中三曳引式2人别墅家用电梯设计图纸
图片尺寸1080x1568
1000kg乘客电梯图纸
图片尺寸1440x1020