西门子维修价目表

2008年西门子价格表
图片尺寸647x1032
西门子变频器最新价格表
图片尺寸593x1027
西门子医疗系统有限公司--报价一览表.jpeg
图片尺寸1700x2338
西门子配件收费价格表 西门子配件收费价格表大全-家电维修自学网
图片尺寸2552x3510
西门子plc价格表
图片尺寸639x1000
免费文档 所有分类 工程科技 信息与通信 siemensplc价格表 西门子s7
图片尺寸699x1024
西门子远景电子报价单
图片尺寸765x977
格力空调维修报价,格力空调维修报价单格力空调显示f0不制冷维修费用?
图片尺寸282x400
西门子可编程控制器报价单
图片尺寸711x1049
西门子变频器最新价格表
图片尺寸593x746
洗衣机维修报价表
图片尺寸599x889
西门子逸动501助听器价格表¥11800-19800
图片尺寸950x1406
天津西门子油烟机售后维修电话
图片尺寸448x252
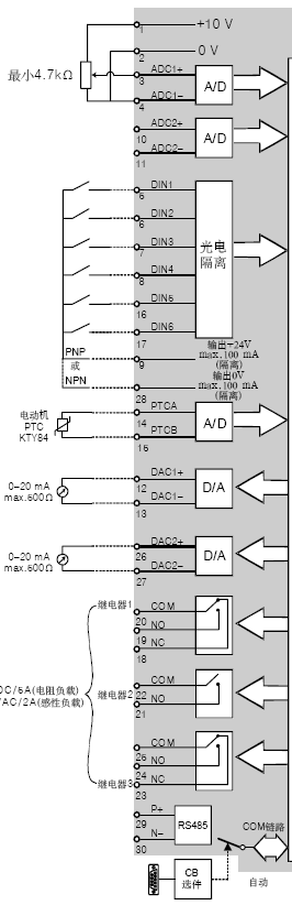
西门子mm440维修思路
图片尺寸266x822
abb工控机维修
图片尺寸947x367
手机搜索里找来的"西门子冰箱维修官方人员",收了1580元每天跳闸断电
图片尺寸660x567
西安的西门子洗衣机维修.
图片尺寸540x960
河南郑州siemens西门子变频器f0022和故障维修西门子
图片尺寸500x421
西门子滚筒洗衣机维修需要.
图片尺寸540x960
西门子冰箱自动停机维修.
图片尺寸540x960