西门子plc图纸

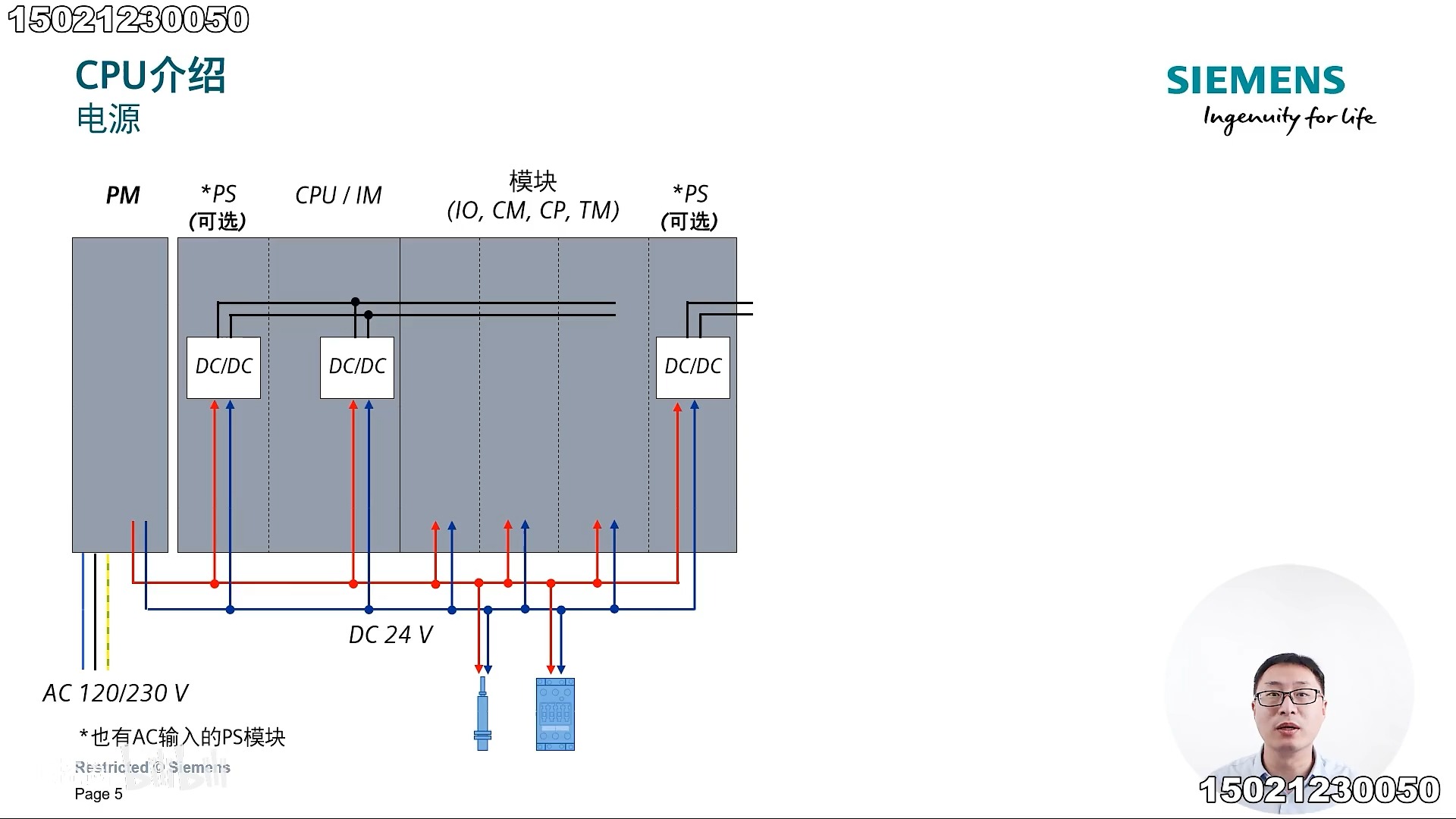
04_西门子plc概述
图片尺寸1920x1080
西门子plc编程技巧,经典实例讲解
图片尺寸1280x1254
西门子plc 这个能实现三个输出交替接通吗?
图片尺寸3120x4160
西门子plc学习——1200plc外围设备接线案例
图片尺寸640x344
西门子plc的花样喷泉控制设计- 设计方案图纸 - 沐风网
图片尺寸594x462
西门子s7-300 plc接线图大全
图片尺寸636x1232
运料小车plc控制系统设计-西门子200 - 设计方案图纸 - 沐风网
图片尺寸632x497
此图纸为s7-200的西门子plc电气图,适合各种脉冲控制系统!
图片尺寸619x451
西门子221plc接线图cad图纸
图片尺寸1054x720
西门子plc中的经常见到的27648是个啥?
图片尺寸640x723
西门子plc变频器接线图纸下载资料
图片尺寸1354x798
西门子plc接线图免费下载 - 电气图纸 - 土木工程网
图片尺寸534x397
全自动洗衣机控制系统的设计【西门子s7-200型plc】【含cad图纸】
图片尺寸1200x800
西门子plc输入输出电源接法
图片尺寸847x717
plcs7200西门子200系列plc
图片尺寸791x346
西门子plcsm323模块di/do16点24vdc 当天可发
图片尺寸1062x742
西门子200plc-cad图纸
图片尺寸610x432
西门子plc模块及接线图全套图纸
图片尺寸1015x568
plc快速入门,解析西门子s7-200编程控制接线图实例
图片尺寸1078x553
西门子plc cpu222电路原理图
图片尺寸2480x413