西门子s7-200梯形图

关于s7-200梯形图编程问题多有不解,懂行的前辈请多多指点!
图片尺寸2957x1280
西门子s7-200全自动洗衣机课程设计
图片尺寸681x1127
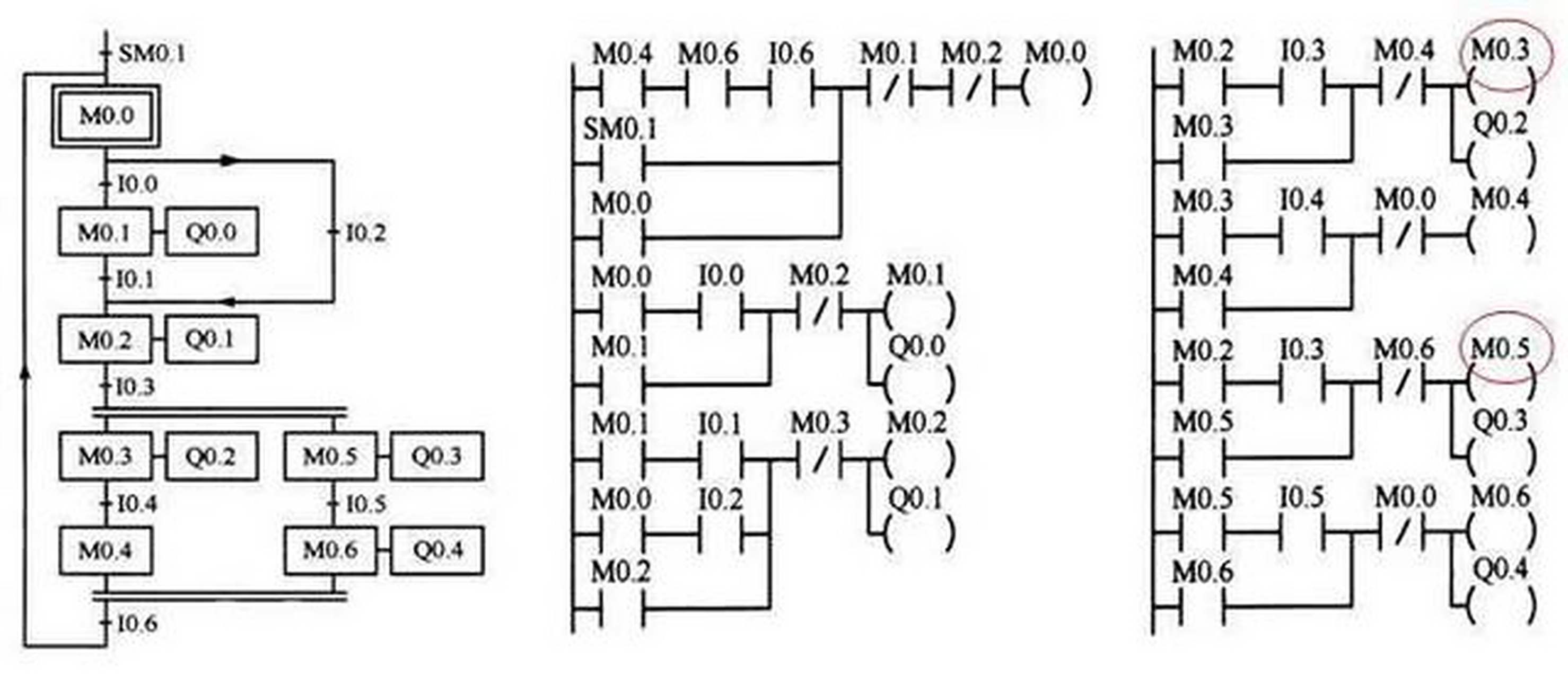
展开全部 s7-200梯形图在下面.
图片尺寸581x707
四层电梯西门子s7-200plc梯形图程序
图片尺寸1080x2259
麻烦用西门子s7-200 plc编一下这个程序
图片尺寸761x540
停止时先停第二台5s后停第一台 求plc梯形图 西门子s7-200
图片尺寸618x678
用西门子s7-200画出梯形图
图片尺寸716x491
s7-200模拟量转换程序详解 公式及子程序梯形图 反向计算公式 库文件
图片尺寸996x805
四层电梯西门子s7-200plc梯形图程序
图片尺寸2259x1080
西门子s7-200 224cn的梯形图解析
图片尺寸1920x2560
西门子s7-200plc由i0.1的上升沿产生的中断事件的初始化程序实例
图片尺寸431x484
西门子s7-200smart plc编程几个常见功能程序
图片尺寸645x422
西门子s7-200 224cn的梯形图解析
图片尺寸1920x2560
请高手们帮我看下为什么我写的s7-200plc的梯形图下载到plc里却无法
图片尺寸480x640
用西门子s7-200画出梯形图
图片尺寸534x452
急求西门子sp7-200的5个线圈一键启动每隔5秒顺序启动的plc梯形图.
图片尺寸570x796
西门子200plc中的减法运算梯形图怎么写subi西门子plc梯形图实例
图片尺寸587x648
西门子plc s7-200 plc对电动机y-△减压启动控制 星三角启动梯形图
图片尺寸525x544
西门子s7200系列plc增减计数器练习梯形图实例
图片尺寸590x754
请高手帮画个西门子s7 200的plc梯形图,完成了加分加财富
图片尺寸590x344