角磨机的接线原理图

求手枪钻和角磨机的接线方法.
图片尺寸500x417
线头好像是电机线 还有一个电容 一个四孔开关 一根电源线 该怎么接线
图片尺寸1241x564
为什么电扇和角磨机一个用无刷一个用有刷呢
图片尺寸584x381
博世角磨机tws6700金属切割手砂轮机电动工具100磨光打磨抛光机
图片尺寸790x1142
求角磨机的电气原理图
图片尺寸401x288
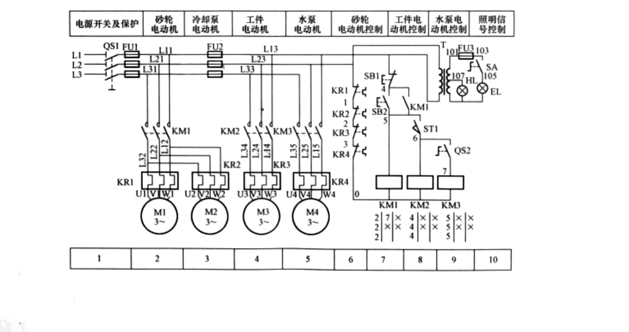
m7130型卧轴矩台平面磨床电路运行原理
图片尺寸2000x1087
普通角磨机直接换个调速开关就能调速吗?接线是怎么接的?
图片尺寸407x346
拆卸角磨机时可先松开两边火花石,取下塑料外科,取定子时,可轻 - 抖音
图片尺寸1440x1920
易博角磨机增加无极调速功能使其适应各种工况
图片尺寸1380x1035
371m1 型平面磨床控制电路
图片尺寸960x720
y7131 型齿轮磨床电气控制线路
图片尺寸960x720
350-a双电磨/调速电磨/打磨机/抛光机/钻孔/角磨机/雕刻机/根雕
图片尺寸790x416
角磨机标准接线
图片尺寸720x1280
m131型外圆磨床电气控制线路
图片尺寸2200x1161
易博角磨机增加无极调速功能使其适应各种工况
图片尺寸1380x1035
平面磨床控制线路
图片尺寸920x1302
易博角磨机增加无极调速功能使其适应各种工况
图片尺寸1380x1035
单相电机电容接线图苍松借鉴
图片尺寸920x1302
自制mach3 控制板_接线图分享
图片尺寸700x1244
y7131型齿轮磨床电路解析
图片尺寸1920x1080