计数器状态转换图

4位同步二进制计数器的状态转移图
图片尺寸309x260
下面是一个十进制递增计数器的状态转换图,它采用的编码是()bcd码.
图片尺寸341x240
2.写出该计数器的状态转换图(q1q0)
图片尺寸516x299
能自启动的扭环形计数器的状态转换图
图片尺寸787x346
(注:表1 为状态转换图,其中左半部分为递增分频器状态转换表
图片尺寸1039x485
7进制计数器状态图,七进制计数器逻辑图_大山谷图库
图片尺寸717x348
某计数器的状态转换图如下,其计数的容量为()
图片尺寸462x286
同步十进制加法计数器的状态转换图
图片尺寸667x504
驱动方程: c,状态转换图: d,状态转换图: e,状态转换图: f,模5计数器
图片尺寸437x247
因为六进制计数器的有效状态有六个,而十进制计数器的有效状态有十个
图片尺寸427x248
分析如图所示的计数器电路,画出其状态转换图.
图片尺寸890x515
分析如图所示的同步计数器,列出状态转移表,说明该计数器的模,并分析
图片尺寸1040x780
画出同步十进制计数器74160有效状态转移图如图1所示.
图片尺寸306x200
图3的状态图图4 的时序图图5所示为中规模集成的同步十进制加法计数器
图片尺寸449x190
同步计数器同步二进制十进制可逆数电
图片尺寸780x502
计数器电路如图所示,画出计数器的状态转移图.
图片尺寸397x226
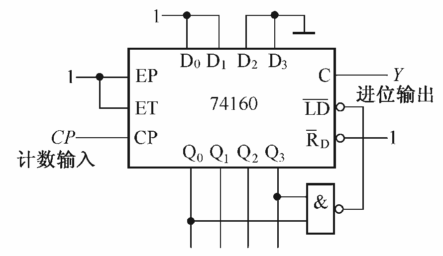
的计数器 功能描述:把输出q3q2q1q0=1011的状态经译码产生预置信号0
图片尺寸882x547
二十数电第六章时序逻辑电路计数器
图片尺寸715x349
利用plc定时器和计数器,实现长时间计时的方法
图片尺寸613x643
用维持阻塞d触发器设计一个同步计数器,计数器的输出q2,q1的状态转换
图片尺寸890x440