订货单样本图片

上午全款提车,当天付定金1万元(有收据),签订了产品订购单(盖有公章)
图片尺寸720x1280
订货单因为时间较长已有些模糊
图片尺寸500x722
朋友圈尽是豪车订单其实照片是假的
图片尺寸450x599
布料出库管理 对成衣厂做完要求的成衣订货单所用每种布料的数量,登记
图片尺寸220x156
gb/t 20928-2020
图片尺寸2480x3508
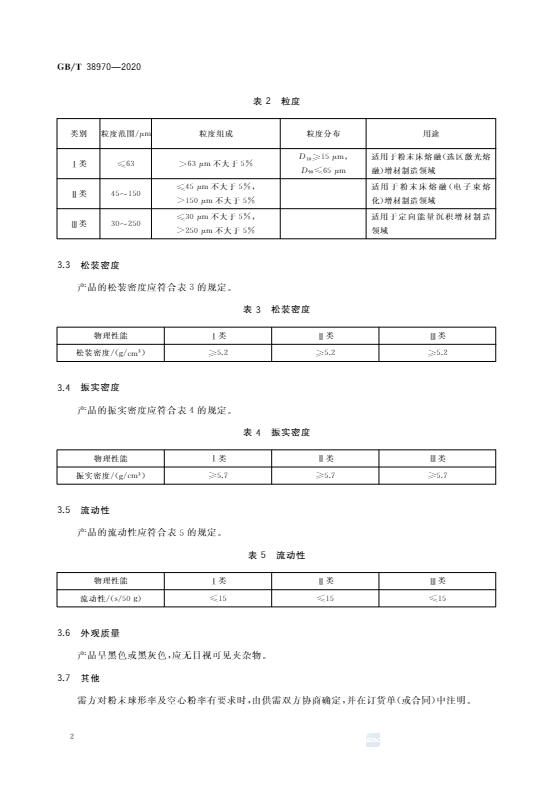
gb/t 38970-2020
图片尺寸557x789
局部放电,温度,故障指示综合在线 监测装置_技术_带电
图片尺寸572x332
工业过程控制阀检验
图片尺寸2112x2816
这回是
图片尺寸1080x597
这回是
图片尺寸1080x760
而对于劳卡也不例外,前端订单的爆炸式增长,后端的生产交付能力难以
图片尺寸500x333
这回是
图片尺寸1080x686
订货单_门店_系统工程
图片尺寸1080x586
当时,商家就给了他一份国丰智慧家居整屋定制柜系列产品订购单,上面写
图片尺寸1080x664
健力宝股权变局 > 汇中天恒认为上周三水区公布的健力宝订货单金额
图片尺寸382x400
卡通造型非常漂亮,象这样的小店,询问之下没有零售,摆的是样品,订货单
图片尺寸640x490
马媒马来西亚考虑从中国相关公司订购单剂新冠疫苗
图片尺寸867x579