设备编号

设备编号
图片尺寸730x973
河南省特种设备协会文件编号:psb-dt-0 河南省苏迅电梯有限公司生产
图片尺寸715x952
设备编码说明
图片尺寸920x1302
设备状态管理标识牌标志牌设备编号号码设备号机台号数字工厂车间【4
图片尺寸800x800
标识设备编号牌可设备管理负责人周期保养名称状态标志牌
图片尺寸800x800
固定资产铝牌机械设备资产管理标识牌设备编号金属不锈钢铭牌定做
图片尺寸750x746
工具仪器设备编号规则
图片尺寸843x542
桌子编号贴的桌号门牌纸网吧储物柜子分区柜台座位餐桌房间设备编号
图片尺寸800x800
磁吸式机器设备编号贴高清亚克力数字号码牌工厂车间机械仪器序号指示
图片尺寸800x799
特种设备登记卡 编号
图片尺寸642x431
c620g过桥式普通车床技术参数 设备编号:016-44
图片尺寸726x924
号码牌数字亚克力机器设备编号贴机台序号指示标识牌网吧储物柜子
图片尺寸800x800
dzq公司企业固定资产标牌机器设备编号铝牌不锈钢腐蚀丝印铭牌
图片尺寸800x800
数字号码标识牌仓库房门酒店餐桌楼层号码贴纸圆形机器设备编号序号3m
图片尺寸800x800
设备编号标识工厂管道数字标识白色面黑字号码牌双色板雕刻标识贴
图片尺寸984x742
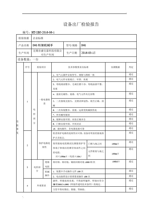
设备出厂检验报告 编号:ht-sbj-2016-06-1 检验依据|企业标准| 产品
图片尺寸496x702
亚克力磁吸式机器设备编号贴工厂车间机械仪器序号提示牌机台数字编号
图片尺寸800x800
注塑机编号牌排号牌机台号码牌数字编号磁吸设备编号牌机器编号牌
图片尺寸800x800
高墟数字号码牌磁性贴设备编号机器机台序号标识牌房门铁磁力吸附仓库
图片尺寸800x800
数字贴纸编号贴数字号码贴自粘 亚克力座位贴餐厅桌号牌楼层网吧更衣
图片尺寸800x800