设备评估报告

设备需求评估报告
图片尺寸920x1303
采购物资设备安全风险评估表
图片尺寸1860x2631
报告设备选型评估报告
图片尺寸920x1303
2设备选型评估报告.docx 3页
图片尺寸860x1218
消防设备检测评估报告
图片尺寸1275x1650
大型设备分析评价报告
图片尺寸800x1132
设备评估表a
图片尺寸791x1082
机器设备资产评估的报告.doc 9页
图片尺寸792x1120
化妆品质量体系 039设备器具选型评估报告表_第1页
图片尺寸1240x1753
文档下载 所有分类 表格/模板 调查/报告 > 设备使用情况评估表用超过
图片尺寸738x1003
自动化生产设备项目评估报告
图片尺寸1240x1753
设备评估报告 药业有限公司2017-2019年购买十万元以上设备三台,见下
图片尺寸496x702
机器设备抵押贷款项目资产评估报告书(共15页).doc
图片尺寸920x1302
机械设备风险评估表.docx 14页
图片尺寸792x1119
设备评估表第1页 下一页 相关主题 你可能喜欢 评估表格 设备评估报告
图片尺寸739x1028
机器设备抵押贷款项目资产评估报告书
图片尺寸1860x2630
机器设备资产评估报告doc10页
图片尺寸792x1120
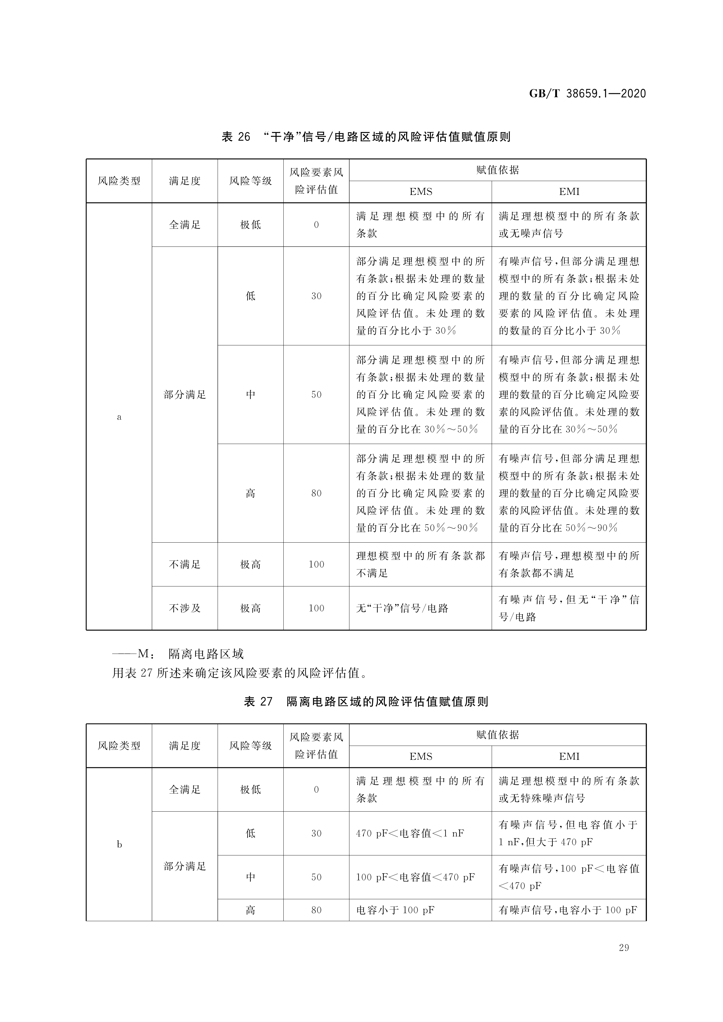
电磁兼容—风险评估—第1部分:电子电气设备
图片尺寸2480x3507
机械设备风险评估表
图片尺寸920x1309
新设备风险评估表
图片尺寸920x650