设备验收报告单

工程单元工程施工质量验收评定规程—第7部分:水力机械设备安装工程
图片尺寸2550x3300
序号 生产建设项目名称 建设单位 水土保持设施验收报告编制单位 水土
图片尺寸1654x2338
工程单元工程施工质量验收评定规程—第7部分:水力机械设备安装工程
图片尺寸2550x3300
黄小桥路武陟山路天堂寨路道路工程竣工验收报告
图片尺寸793x1122
工程单元工程施工质量验收评定规程—第7部分:水力机械设备安装工程
图片尺寸2550x3300
工程单元工程施工质量验收评定规程—第7部分:水力机械设备安装工程
图片尺寸2550x3300
附件:医疗器械召回事件报告表上海汉莲医疗设备有限公司对电动医用
图片尺寸1237x1756
中小型水利水电工程单元工程施工质量验收评定规程—第8部分:电气设备
图片尺寸2480x3508
领会国际名苑水土保持设施自主验收报备回执
图片尺寸663x934
yy 9706.233-2021检验报告内容模板
图片尺寸2480x3507
检测报告(部分) 图据物业方律师说法:如下水管道的堵塞在公共区域,且
图片尺寸1080x1747
泵站计算机监控与视频监视系统施工技术规范
图片尺寸2480x3508
宜昌星港房地产开发有限公司月星国际b3#楼(1-3层)竣工验收报告宜昌
图片尺寸800x1100
智慧静脉用药调配中心验收规范
图片尺寸2480x3508
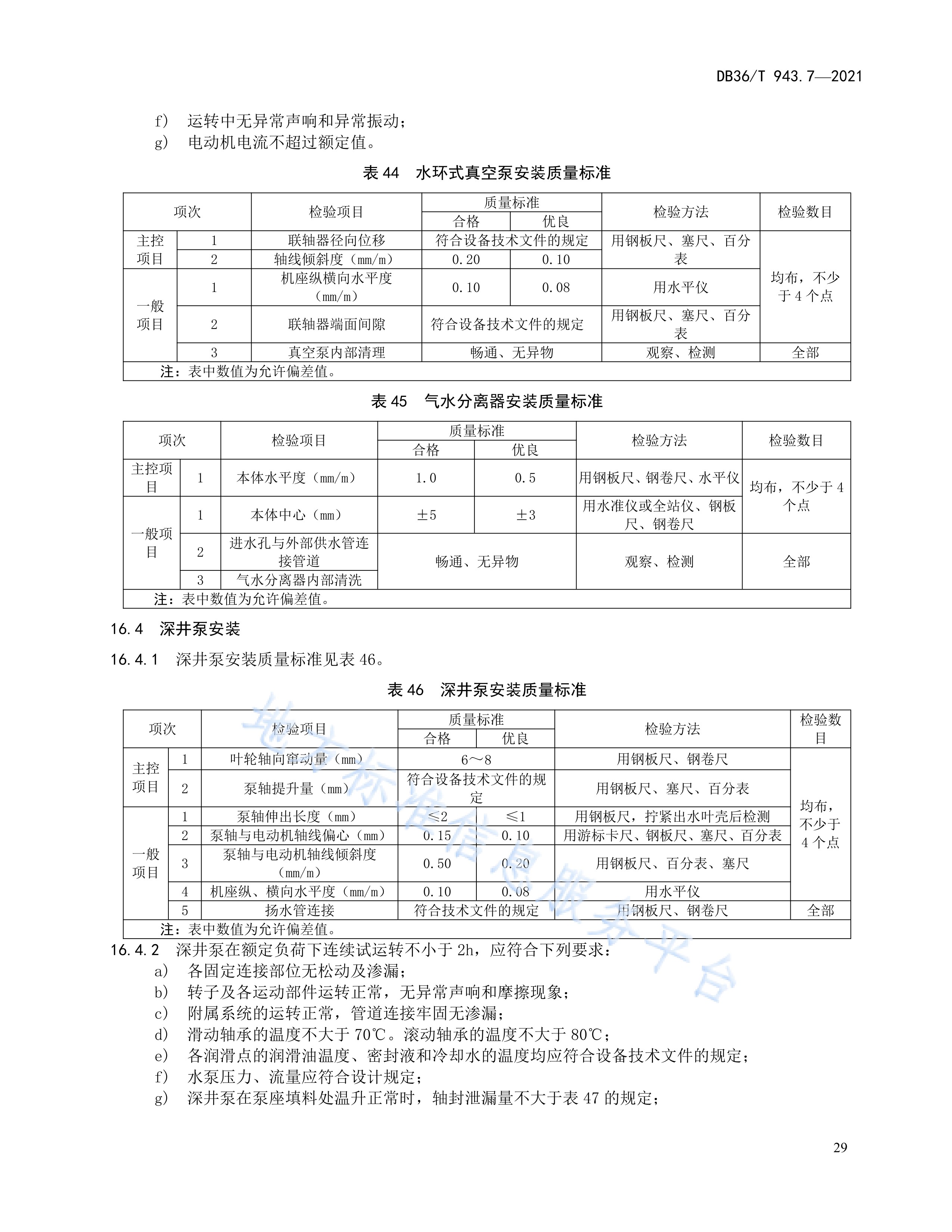
工程单元工程施工质量验收评定规程—第7部分:水力机械设备安装工程
图片尺寸2550x3300
繁昌县人武部新建综合楼工程竣工验收报告
图片尺寸793x1121
容积式压缩机—验收试验
图片尺寸1100x1630
六安第一中学扩建项目竣工验收报告
图片尺寸793x1122
yy 9706.262-2021检验报告内容模板
图片尺寸2480x3508
黄小桥路武陟山路天堂寨路道路工程竣工验收报告
图片尺寸793x1122