诱导止回阀连接图

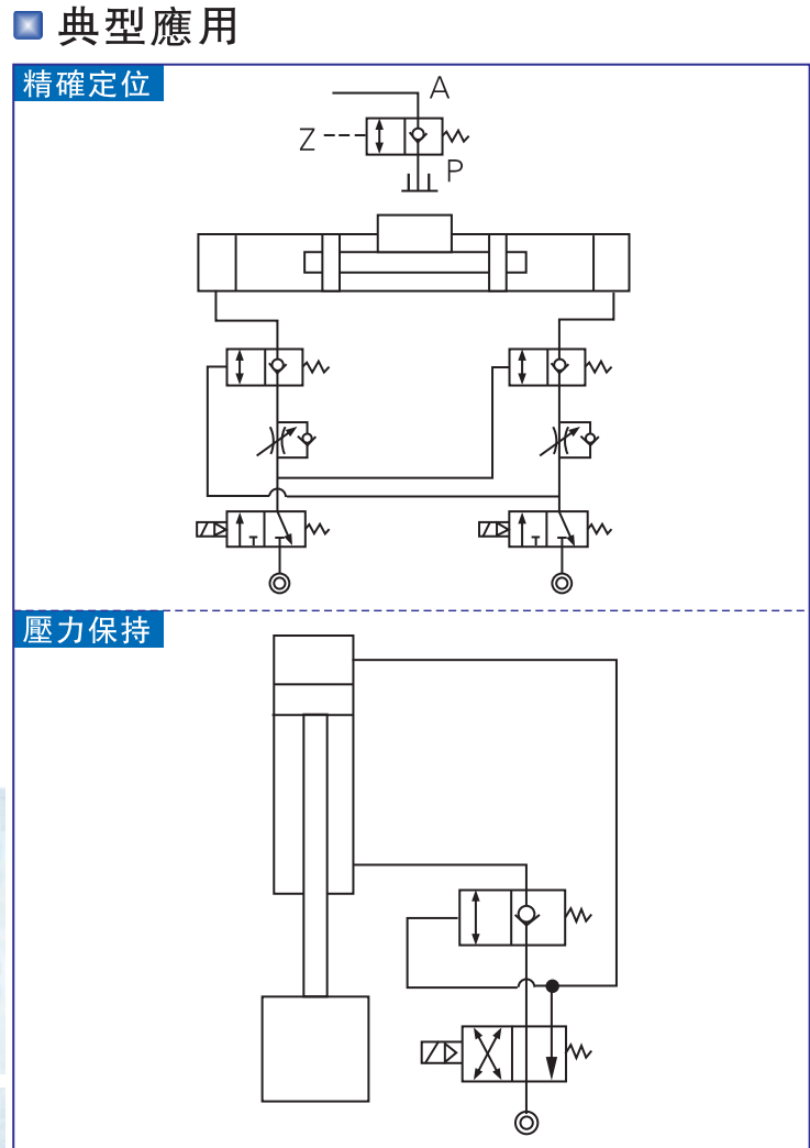
airtac原装亚德客诱导止回阀 定位安全阀 pcv-06/08/10/15-f-g pcv06
图片尺寸737x1044
不锈钢逆止阀压力自密封止回阀h64w/h产品结构展示
图片尺寸1168x531
hq44x-10/16c 铸钢 dn65 hq44x微阻球形止回阀-hq44x微阻球形止回阀
图片尺寸382x250
现货供应 hq45x-16 微阻球形止回阀 无磨损止回阀 污水管道专用
图片尺寸733x476
水泵止回阀的正确安装方法
图片尺寸720x566
hq41x无磨损球形止回阀
图片尺寸520x267
hh49x微阻缓闭止回阀
图片尺寸600x363
空气诱导止回阀pc04vcj04批量供应苏州新恭
图片尺寸256x396
止回阀 - 热门商品专区
图片尺寸1393x859
法兰回水止回阀 直通自动启闭阀kjh41x-10 丝口启闭器
图片尺寸752x564
缓开快闭止回阀 y型快闭止回阀 dy30ax/dy30bx-10 dn700
图片尺寸706x381
微阻缓闭蝶型止回阀
图片尺寸520x322
逆止阀和止回阀的区别
图片尺寸1017x515
300x/hh741x型缓闭式止回阀pn10~pn25
图片尺寸500x170
对夹式止回阀的,用途与结构特点
图片尺寸1552x759
hh44x微阻缓闭式止回阀使用工况
图片尺寸650x411
h11w 内螺纹升降式止回阀
图片尺寸1827x1200
yq98004过滤活塞式缓闭止回阀
图片尺寸845x401
微阻缓闭止回阀,微阻缓闭止回阀规格型号- 立洛阀业上海有限公司
图片尺寸500x301
空压诱导止回阀pc02
图片尺寸670x344