调光灯电路图

电路图 :如下图所示是一个实用的双向晶闸管调光灯电路
图片尺寸2116x1280
可控硅模块组成的调光灯线路图
图片尺寸600x400
简易光控自动调光灯电路
图片尺寸939x445
晶闸管单相半波可控整流调光灯电路原理
图片尺寸565x343
led灯调光模拟电路设计与原理介绍
图片尺寸500x267
strong>白炽灯 /strong> strong>调光电路 /strong>.gif
图片尺寸640x464
简易光控自动调光灯电路
图片尺寸939x445
调光台灯原理电路图
图片尺寸701x346
晶闸管调光灯电路
图片尺寸1680x589
触摸/无线遥控调光灯电路图
图片尺寸724x1245
手电筒调光电路
图片尺寸385x291
图2-16 低压石英灯调光电路
图片尺寸640x239
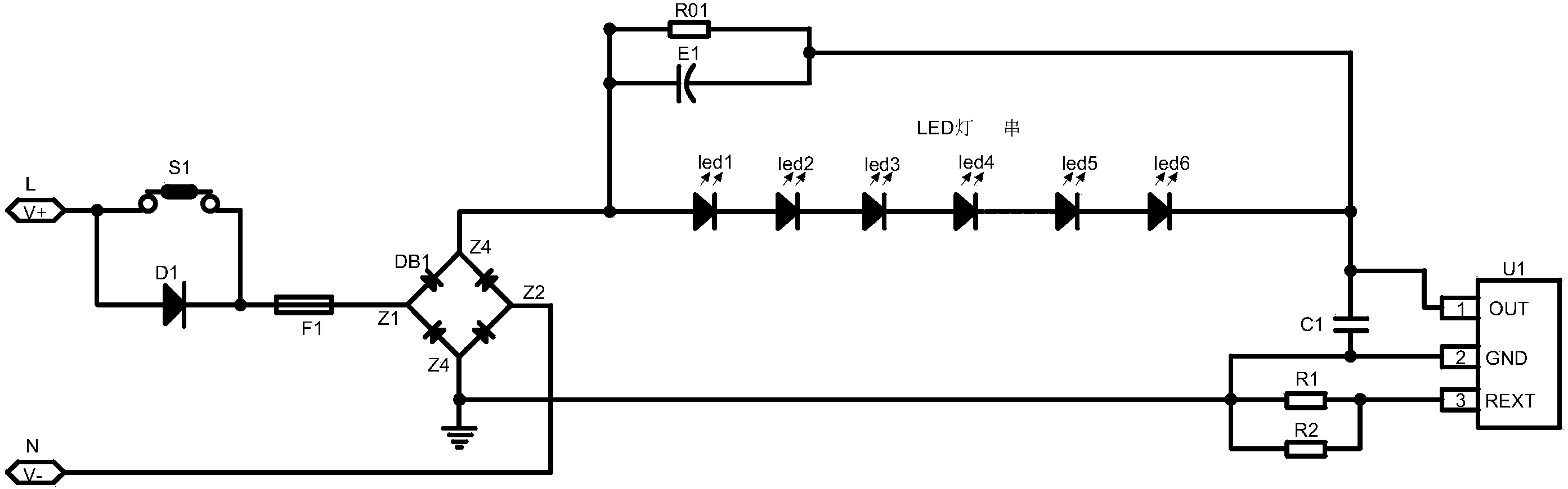
一种两段调光灯电路
图片尺寸2786x870
led灯调光模拟电路设计原理图介绍
图片尺寸363x455
cn105208706b_一种用于led灯的pwm调光电路有效
图片尺寸1621x1844
红外遥控调光灯-电路图-aet-中国科技核心期刊-最丰富的电子设计资源
图片尺寸1226x914
遥控调光灯电路
图片尺寸1609x541
采用晶闸管的白炽灯调光电路之四a
图片尺寸627x340
一种led灯调光控制电路的制作方法
图片尺寸1000x982
红外遥控调光灯电路2
图片尺寸1609x993