调压器图例

液压阀符号
图片尺寸786x1126
示器的过 滤器 磁性过滤 过滤器 器 冷却器 一般符号 温度调节器 带
图片尺寸786x1081
阀门图例符号阀图例doc
图片尺寸920x1302
一种自动控制燃气调压器-爱企查
图片尺寸800x435
常用气压元件图形符号
图片尺寸920x1303
一种燃气调压器
图片尺寸1785x1022
液压图形符号大全
图片尺寸920x1303
燃气调压器双压切断装置的制作方法
图片尺寸1000x374
一种具有整流功能的瓶装液化石油气调压器
图片尺寸1630x1046
cn201302011y_一种调压阀有效
图片尺寸1326x2624
可调式减压阀
图片尺寸479x203
rtz04a调压器rtza燃气调压阀
图片尺寸800x334
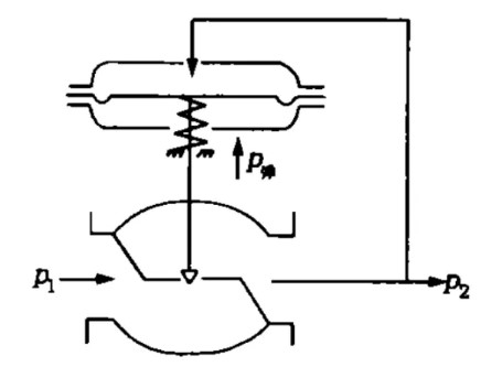
自力式压力调节阀介绍
图片尺寸436x333
cn1734144a_真空调压阀有效
图片尺寸1417x2195
特设观察员话你知@什么是燃气调压器
图片尺寸640x637
山西楼栋调压箱用途-河北福瑞达燃气调压器有限公司-企业黄页网
图片尺寸1280x1706
衡量式燃气调压器
图片尺寸1600x1888
燃气调压器
图片尺寸944x888
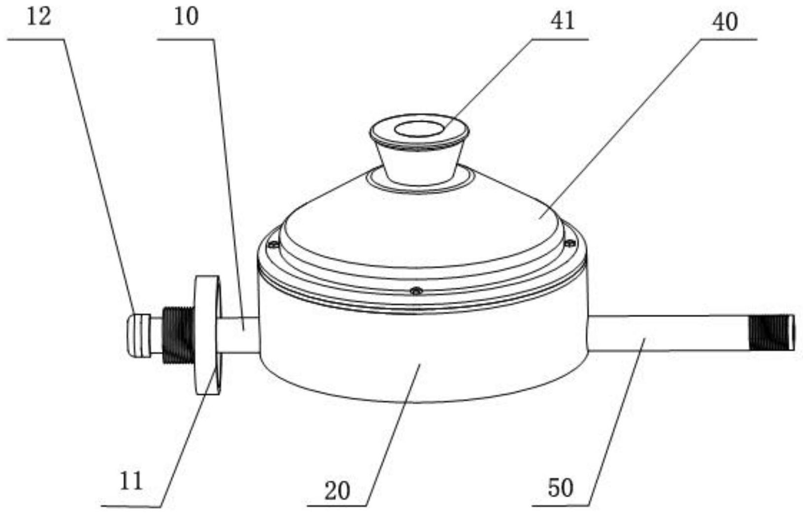
一种带有防水结构的燃气调压器
图片尺寸1481x1507
厂家直销华盛瓶装液化石油气调压器jyt0.6l煤气阀hs-688-a减压阀
图片尺寸1276x1276