贴片五脚芯片引脚图

五个引脚的贴片器件表面印有e.9字样是什么芯片
图片尺寸922x692
五个引脚的贴片器件表面印有e.9字样是什么芯片
图片尺寸641x527
博通|平板电脑充电ic 行车记录仪充电芯片 贴片5脚芯片4054
图片尺寸343x307
主动器件 电源管理 电压基准芯片 lm3411am5-5.0/nopb
图片尺寸1000x1000
a,lth7贴片5脚充电芯片
图片尺寸479x252
lm78l05
图片尺寸649x625
【互换 兼容】 qlf 贴片 【s-1132b20-m5t1g的原厂(中文)资料 数据
图片尺寸401x378
a,lth7贴片5脚充电芯片
图片尺寸342x342
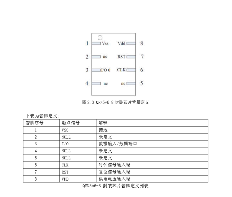
nb-iot卡esim卡(5*6毫米)贴片卡引脚定义及尺寸_esim芯片引脚定义
图片尺寸891x755
贴片5脚芯片上面是两个脚下面是3个脚的上面标有h5是什么型号芯片
图片尺寸375x449
电子元器件采购网平台_华强集团旗下电子元器件采购网
图片尺寸861x857
gm4275ta5rg参数datasheetpdf下载
图片尺寸827x1169
适用于小家电电源,主要引脚图及5个引脚功能如下;一,五脚电源芯片引脚
图片尺寸679x430
常用芯片引脚图
图片尺寸920x1302
【互换 兼容】 50b 贴片 【rp100n131b的原厂(中文)资料 数据手册
图片尺寸442x423
贴片mos管封装
图片尺寸510x299
7805系列封装区别和选型区别
图片尺寸568x387
kia7805中文资料|kia7805管脚判断|7805引脚图|-kia mos管
图片尺寸520x263
8255芯片
图片尺寸893x628
镍氢电池升压芯片
图片尺寸500x484