起动机电路

8gsi轿车起动机控制系统电路
图片尺寸2848x1972
汽车电器 起动机构造与维修 二,具有安全开关的起动电路
图片尺寸1080x810
无忧文档 所有分类 工程科技 机械/仪表 汽车起动系电路检修说课稿ppt
图片尺寸1080x810
汽车电器设备06起动机控制电路
图片尺寸720x493
小汽车电喷式发发动机起动电路图?有的发我,急
图片尺寸448x440
如图为丰田轿车起动系电路现该车起动机有如下故障现象将点火开关旋至
图片尺寸676x403
当把点火开关打到st(启动档)电流从蓄电池经点火开关到启动机保险,再
图片尺寸685x506
起动机工作原理电路图起动机坏了维修视频
图片尺寸600x307
现在是知道轿车起动机是用电瓶负极打起动机身,然后再用正极接通吸拉
图片尺寸529x374
汽车电器设备06起动机控制电路
图片尺寸733x339
任务三 起动机的工作原理与工作过程ppt
图片尺寸1080x810
汽车电器维修 汽车线路(电路)维修 > 正文 电枢移动式起动机电路
图片尺寸606x396
货车电路从电瓶到钥匙门再到起动机是怎样连接的
图片尺寸500x361
起动机-(起动电路原理与维修)ppt
图片尺寸1080x810
马达起动停止控制电路接线图
图片尺寸1080x810
汽车电气设备构造与检修 三,具有防盗功能的起动电路 起动机的组成
图片尺寸1080x810
马达单元具有:马达;驱动电路;分流电阻;旋转指令输入端子;脉冲输出
图片尺寸2735x1846
汽车电器设备与维修 课件-3-2起动机ppt
图片尺寸1080x810
汽车启动系统电路图
图片尺寸400x368
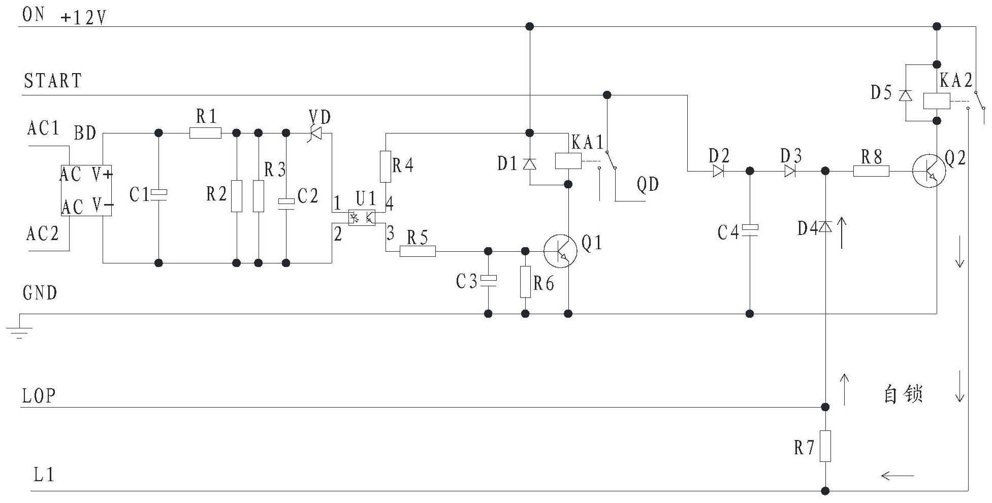
一种有效保护启动马达的柴油发电机启动控制电路
图片尺寸1953x991