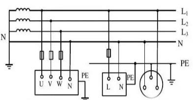
路灯tt接地系统图

tt系统的接地方式
图片尺寸519x729
tt系统接地示意
图片尺寸889x622![[讨论]道路路灯配电接地方式(tn,tt)的优劣各是什么](https://i.ecywang.com/upload/1/img1.baidu.com/it/u=2914571629,985702764&fm=253&fmt=auto&app=138&f=JPG?w=500&h=309)
[讨论]道路路灯配电接地方式(tn,tt)的优劣各是什么
图片尺寸717x443![[讨论]道路路灯配电接地方式(tn,tt)的优劣各是什么](https://i.ecywang.com/upload/1/img0.baidu.com/it/u=1183793834,1345218698&fm=253&fmt=auto&app=138&f=JPG?w=500&h=305)
[讨论]道路路灯配电接地方式(tn,tt)的优劣各是什么
图片尺寸611x373
tt接地系统特点
图片尺寸1080x655
tt,it,tn供电系统对发电机组接地安全的影响
图片尺寸600x375
tt糸统接地做法图
图片尺寸450x250
tt系统的设计要点,分析得很到位!_接地_制式_型式
图片尺寸978x900
ss-tt060 太阳能路灯 重庆三烁光电科技有限公司
图片尺寸3196x4036
tt,it,tn供电系统对发电机组接地安全的影响
图片尺寸600x375
tn/tt/it这三种接地系统及tn系统中tn-c/tn-s/tn-c-s符号的含义
图片尺寸430x223
称为保护接地系统,也称 tt 系统
图片尺寸545x510
08 tt接地保护系统
图片尺寸760x483
全面解析iec 60364三种接地系统的概念,特点及应用
图片尺寸700x466
安科瑞解读市政工程道路照明tt接地系统对剩余电流继电器技术标准
图片尺寸817x358
tt,it,tn供电系统对发电机组接地安全的影响
图片尺寸600x375
接地,接零保护系统:tt,tn-c和tn-s的分析比较
图片尺寸1080x748
低压接地系统:tn-c ,tn-s,tn-c-s,tt,it分别适用哪些场所?
图片尺寸596x332
tt系统就是电源中性点直接接地
图片尺寸393x204
tt接地方式
图片尺寸519x403