踏架零件工作图

支架踏脚座加工工艺及3铣底面夹具(内带cad图纸).zip
图片尺寸1200x800
夹具零件图
图片尺寸400x574
0-零件图.dwg
图片尺寸1200x800
制动踏板总成pdf
图片尺寸800x566
根据支架零件轴测图画轴零件图 (1)零件名称一踏架 (2)材料一ht150 (3
图片尺寸1280x960
踏架图纸
图片尺寸352x251
踏架叉架类零件.doc
图片尺寸993x1404
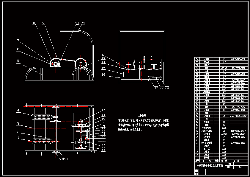
节能健身踏步机结构设计
图片尺寸841x594
cn107554433a_一种外摆门带动的机械式节能伸缩踏板有效
图片尺寸1383x1182
踏架机械加工工艺规程及铣凸台平面工艺装备
图片尺寸820x569
cn2331570y_脚踏车座板升降架失效
图片尺寸1728x1871
零件图(底架a1)
图片尺寸820x579
脚踏座支架机械加工工艺及钻8孔的夹具设计
图片尺寸530x367
零件图a2.dwg
图片尺寸1200x800
看懂图示的托架的零件图说法正确的有
图片尺寸2933x2349
一种悬挂式电子油门踏板总成
图片尺寸2691x1918
0092-踏脚杆零件加工工艺规程及Φm6-6h螺纹孔加工专用夹具设计
图片尺寸1200x800
a2-零件图雇佣ta 关注2020-09-16发布
图片尺寸830x654
1推动架零件图pdf
图片尺寸800x568
一种制动踏板带支架总成制造技术
图片尺寸1000x608