车削加工图示

一 金鹭车削加工基础知识什么是车削? 1 车削工序通常为
图片尺寸1530x784
机械加工方法概述:从车削到线切割,一篇常识性的指南
图片尺寸1080x780
机械加工方法概述:从车削到线切割,一篇常识性的指南
图片尺寸1080x780
非标第五讲:认识加工工艺
图片尺寸959x490
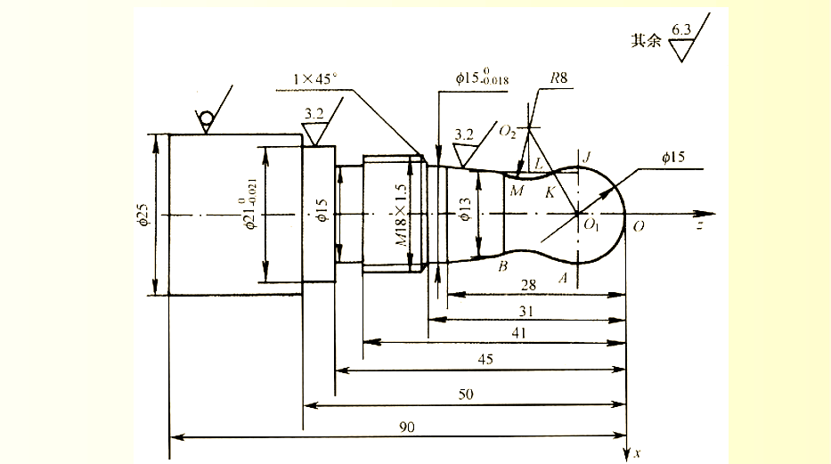
数控车带孔螺纹件车削编程实例
图片尺寸1080x1440
车削加工①第一节 切削运动和工件的加工表面军服拉萨
图片尺寸778x643
图片尺寸804x693
车刀角度对金属切削过程的影响
图片尺寸992x467
数控车床培训图纸6
图片尺寸1728x1080
机械加工方法概述:从车削到线切割,一篇常识性的指南
图片尺寸1080x780
不锈钢车削中的刀具选择与切削条件优化探析
图片尺寸1080x1139
车削加工的特征以及代表性加工方法
图片尺寸491x649
z355-短轴的数控车削加工工艺及编程
图片尺寸1200x800
数控车床加工多种零件的实例
图片尺寸933x521
螺纹车削是指螺纹加工过程,具体是指工件
图片尺寸311x420
车削过程中的三个表面
图片尺寸1080x810
4第四章 车削加工ppt
图片尺寸1080x810
龙门加工中心厂家.#cnc加工中心 #龙门加工中心 #五轴加
图片尺寸2160x2998
车床-车削技术原理
图片尺寸640x523
仪表 普通车床操作实训操作教程 图1
图片尺寸552x447